Ontvang een e‑mailmelding wanneer dit product weer beschikbaar is
Pre‑order product
- Beschrijving
- Instructies
- Betaalmethoden
- Garantie
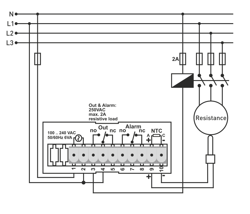
Thermostaat / 2-punts temperatuurregelaar DT-321 - TENSE (Turkije)
Omschrijving:
2-punts thermostaat met externe sensor voor paneelmontage in AAN/UIT modus. Ontworpen voor het regelen en bewaken van thermische processen in verwarming, airconditioning, ventilatiesystemen, gebouwautomatisering en industriële toepassingen.
Belangrijkste functies
-
Type sensor: NTC (externe sensor)
-
Uitgangen: relais UIT en ALARM (NO+NC), 250 VAC, 2A
-
Optionele functie: Verwarmen/Koelen
-
Instelbare hysterese voor SET en ALARM
-
UITgang ON-vertraging voor koelmodus
-
Instelbare AAN/UIT-timers voor sensorstoringen
-
Boven- en ondergrenzen voor SET- en ALARM-instellingen
-
EEPROM geheugen voor het opslaan van instellingen
-
Wachtwoordbeveiliging tegen ongeoorloofde parameterwijzigingen
-
Hoge meetnauwkeurigheid
Technische parameters
-
Meetbereik: -30 ºC ... +150 ºC
-
Resolutie/stap: 1 ºC
-
Voeding en bediening: formaat voor paneelmontage
-
Relaisuitgangen: 250 VAC / 2 A
Toepassing
-
Temperatuurregeling in industriële apparatuur, airconditioning en verwarming
-
Bewaking van temperatuurprocessen
-
Apparatuurbeveiliging en procesautomatisering
-
Kan worden gebruikt met drie soorten sensoren die verkrijgbaar zijn in de e-shop
Downloaden
Online betaling met een kaart – na het afronden van de bestelling wordt u doorgestuurd naar de betaalpagina. De betalingsbevestiging wordt naar uw e‑mail gestuurd.
Rembours (COD) – u betaalt het bedrag rechtstreeks aan de chauffeur bij aflevering.
Via bankoverschrijving – uiterlijk op de volgende werkdag ontvangt u een pro‑forma factuur via e‑mail met het rekeningnummer waarop u kunt betalen.
Op factuur – deze betaalmogelijkheid is beschikbaar voor partners die met ons bedrijf een raamovereenkomst hebben gesloten.
Als u een van de laatste twee betaalmethoden wilt gebruiken, neem dan contact op met onze bedrijfsbeheerder. Hij zal u uitleggen hoe u een factuur kunt ontvangen met of zonder btw.
De elektrische apparatuur die wij leveren voldoet aan hoge kwaliteitsnormen, heeft een garantie van 24 maanden en voldoet volledig aan alle EU‑eisen.
In geval van een klacht worden er geen retourkosten in rekening gebracht.

