
Ontvang een e‑mailmelding wanneer dit product weer beschikbaar is
- Beschrijving
- Instructies
- Betaalmethoden
- Garantie
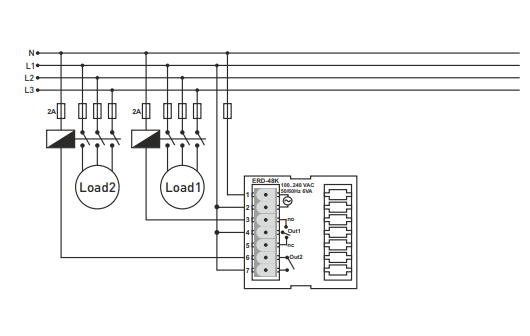
Cyclisch tijdrelais + ON-DELAY relais LED-display voor paneel-/deurmontage 230VAC - Knipperlicht bij start van puls, knipperlicht bij start van pauze cyclisch relais, tijdschakelaar met vertraging. TENSE ERD-48K
Tijdrelais met twee functies - vertragingsfunctie en cyclische relaisfunctie.
Instelbereik tijd:
99,9 seconden, 999 seconden, 99,9 minuten of 999 minuten (optioneel frontpaneel)
Online betaling met een kaart – na het afronden van de bestelling wordt u doorgestuurd naar de betaalpagina. De betalingsbevestiging wordt naar uw e‑mail gestuurd.
Rembours (COD) – u betaalt het bedrag rechtstreeks aan de chauffeur bij aflevering.
Via bankoverschrijving – uiterlijk op de volgende werkdag ontvangt u een pro‑forma factuur via e‑mail met het rekeningnummer waarop u kunt betalen.
Op factuur – deze betaalmogelijkheid is beschikbaar voor partners die met ons bedrijf een raamovereenkomst hebben gesloten.
Als u een van de laatste twee betaalmethoden wilt gebruiken, neem dan contact op met onze bedrijfsbeheerder. Hij zal u uitleggen hoe u een factuur kunt ontvangen met of zonder btw.
De elektrische apparatuur die wij leveren voldoet aan hoge kwaliteitsnormen, heeft een garantie van 24 maanden en voldoet volledig aan alle EU‑eisen.
In geval van een klacht worden er geen retourkosten in rekening gebracht.
