
Ontvang een e‑mailmelding wanneer dit product weer beschikbaar is
- Beschrijving
- Instructies
- Betaalmethoden
- Garantie
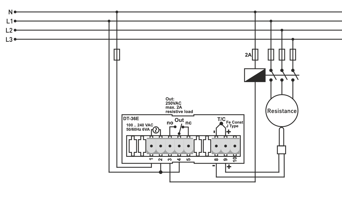
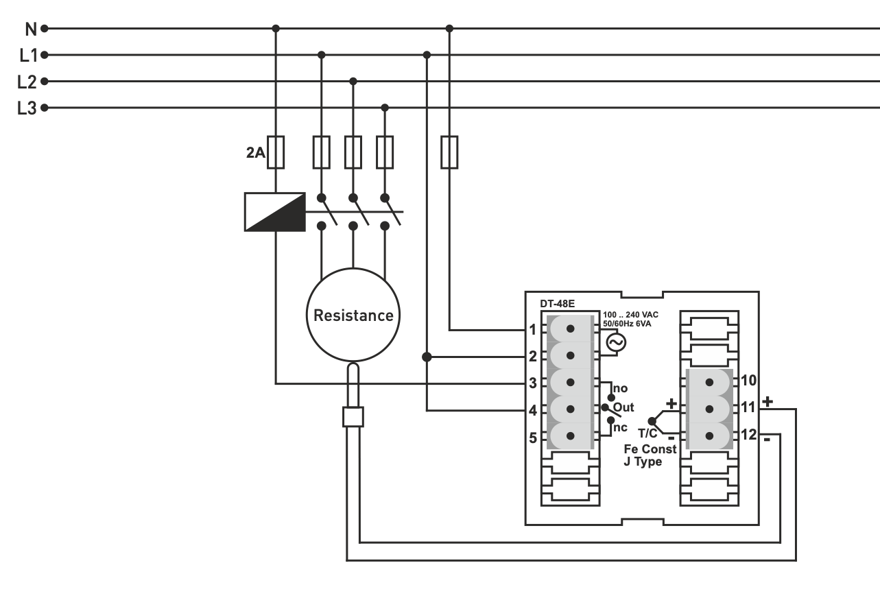
Paneeltemperatuurregelaar DT48-EM - AAN/UIT
Product beschrijving:
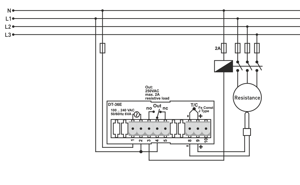
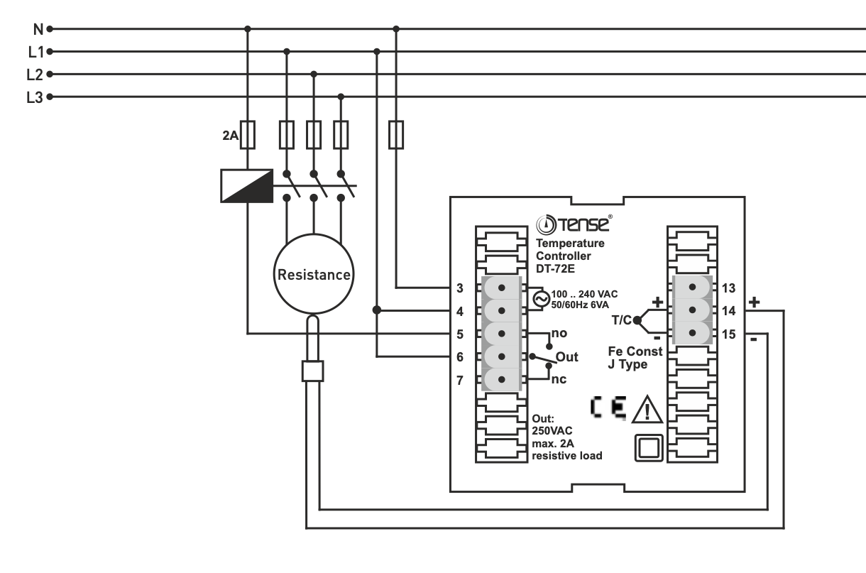
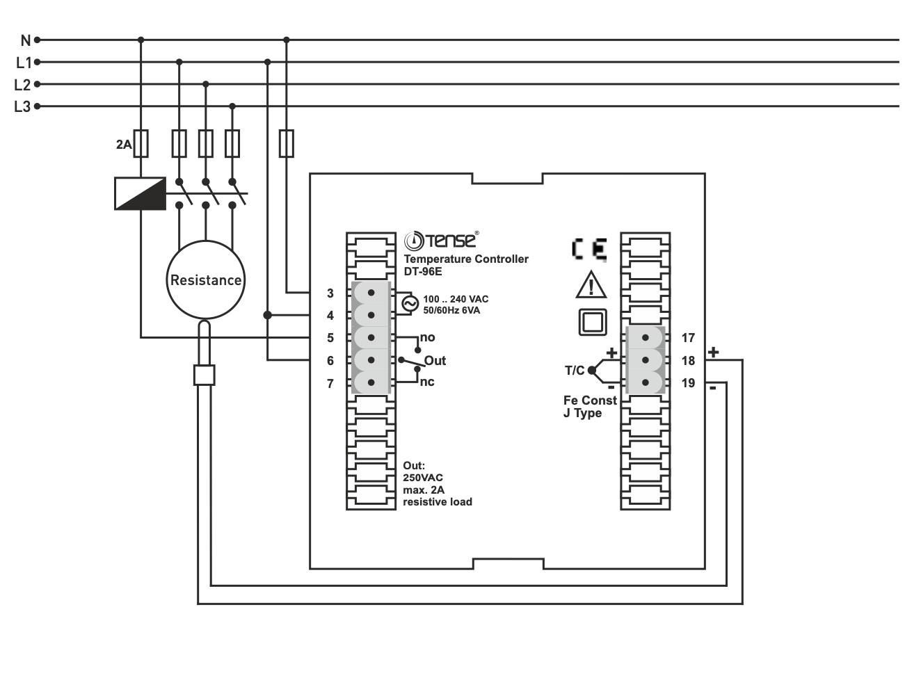
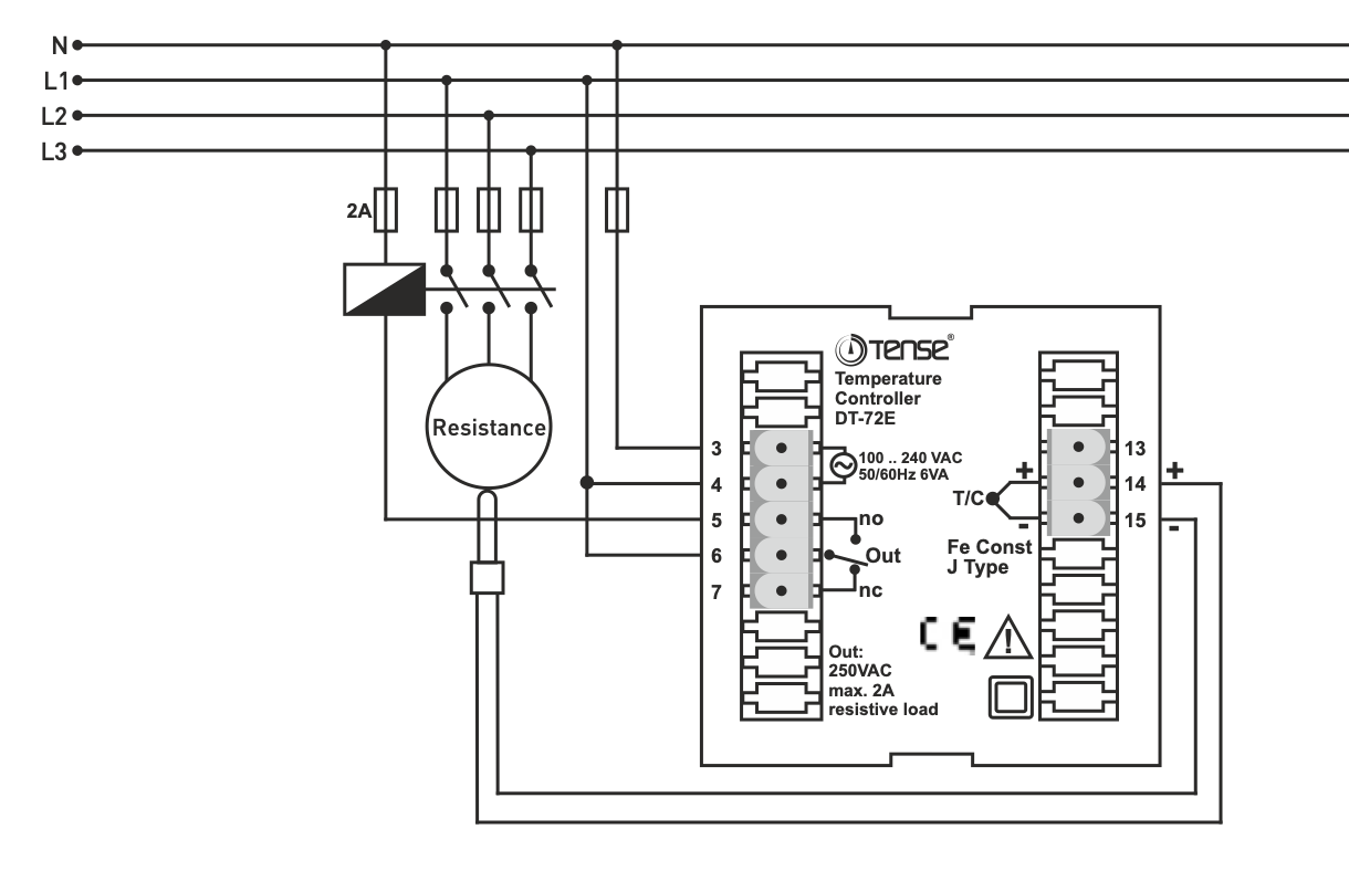
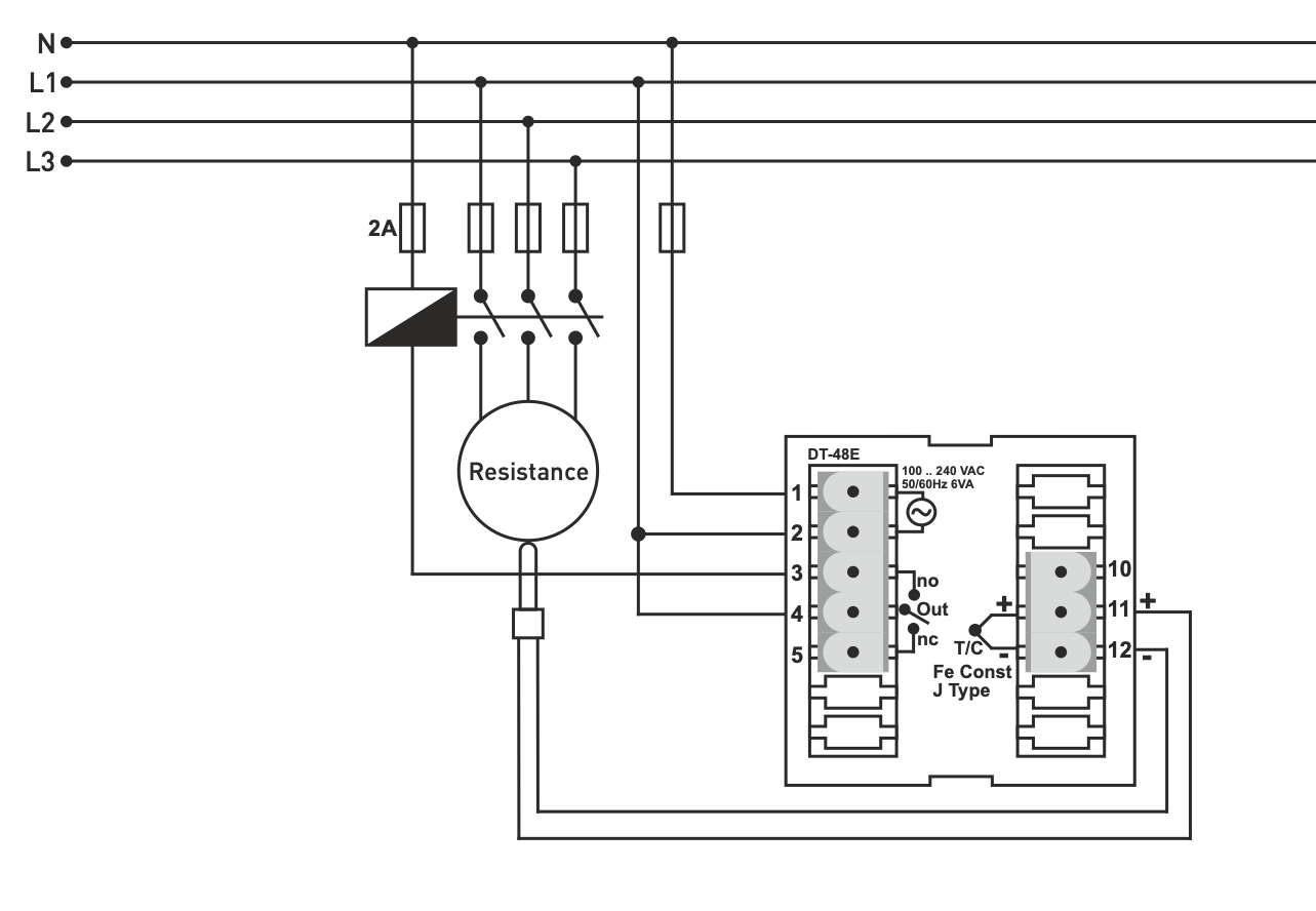
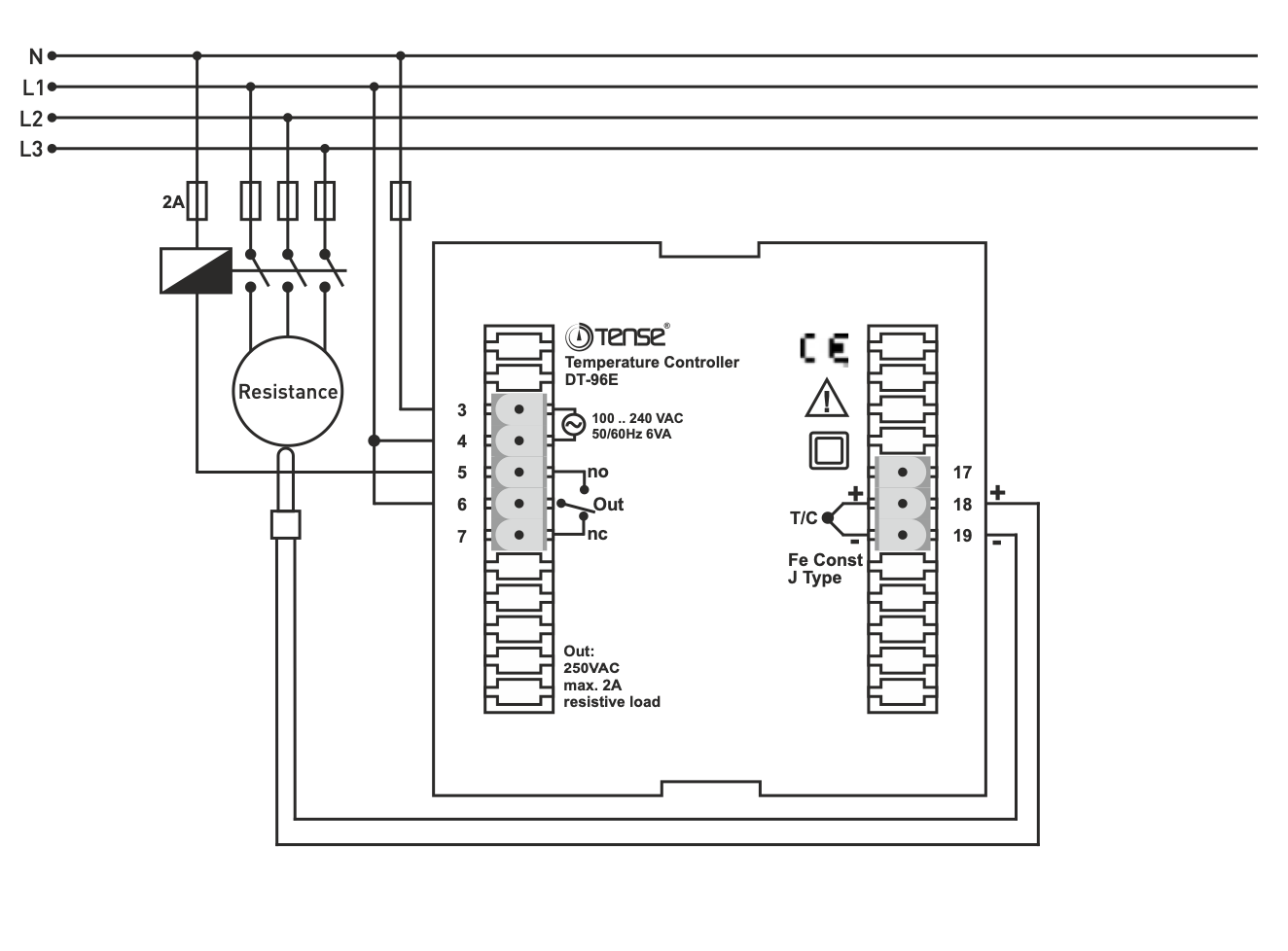
DT48-EM is een éénkanaals paneeltemperatuurregelaar ontworpen voor verwarming met universele ingang. Hij wordt gebruikt voor nauwkeurige temperatuurregeling in industriële toepassingen, lichte industriële machines, voedselverwerking, ovens en andere systemen waar een nauwkeurige verwarmingsregeling vereist is.
Ingangen:
-
Pt100 weerstandsensor
-
Thermokoppels (T/C) type J, K, T, R, S
Uitgangen:
-
SPDT relais 2A / 250VAC voor ohmse belasting
-
Digitale uitgang 12VDC / 20mA voor SSR-relaisregeling
Afmetingen:
-
230VAC voeding.
Functies en kenmerken
-
Regeling: PID en AAN/UIT, optioneel P, PI, PD
-
Ramp-modus: continue temperatuurstijging bij inschakelen
-
Anti-windup: bescherming tegen toename van de regeluitgang in PID/PI
-
Boven- en ondergrens: voor het instellen van de gewenste SET-temperatuur
-
Display met twee regels: Sv (instelpunt) en Pv (werkelijke waarde)
-
Compensatie: koude kruising voor T/C, lijnweerstand voor Pt100
-
Lineaire conversie: °C/mV en °C/Ohm tabellen
-
Offset: offset van waarden over het hele bereik
-
Wachtwoordbeveiliging: voorkomt ongewenste wijziging van instellingen
-
EEPROM-geheugen: behoudt instellingen, zelfs nadat de stroom is uitgeschakeld
-
Eenvoudige aansluiting: 5,08 mm plug-in connectors
Meetbereiken volgens sensortype
| Bereik (°C) | Sensortype | Code INPt |
|---|---|---|
| -100 ... 600 | TLC, type J T/C | J |
| -100 ... 1300 | TXA, type K T/C | K |
| -100 ... 400 | TMKn, type T/C | T |
| 0 ... 1750 | type S T/C TPP | S |
| 0 ... 1750 | TPP, type R T/C | R |
| -100 ... 600 | Pt100 | Pt |
| -99,9 ... 600,0 | Pt100 | Pt.0 |
Opmerking:
Hoewel de regelaar temperaturen onder -20 °C en boven +55 °C kan meten, moet het apparaat zelf worden geïnstalleerd in een omgeving met een temperatuur van -20 ... +55 °C, anders kan de kunststof behuizing vervormen en kan de thermostaat defect raken.
Online betaling met een kaart – na het afronden van de bestelling wordt u doorgestuurd naar de betaalpagina. De betalingsbevestiging wordt naar uw e‑mail gestuurd.
Rembours (COD) – u betaalt het bedrag rechtstreeks aan de chauffeur bij aflevering.
Via bankoverschrijving – uiterlijk op de volgende werkdag ontvangt u een pro‑forma factuur via e‑mail met het rekeningnummer waarop u kunt betalen.
Op factuur – deze betaalmogelijkheid is beschikbaar voor partners die met ons bedrijf een raamovereenkomst hebben gesloten.
Als u een van de laatste twee betaalmethoden wilt gebruiken, neem dan contact op met onze bedrijfsbeheerder. Hij zal u uitleggen hoe u een factuur kunt ontvangen met of zonder btw.
De elektrische apparatuur die wij leveren voldoet aan hoge kwaliteitsnormen, heeft een garantie van 24 maanden en voldoet volledig aan alle EU‑eisen.
In geval van een klacht worden er geen retourkosten in rekening gebracht.
