
Ontvang een e‑mailmelding wanneer dit product weer beschikbaar is
- Beschrijving
- Betaalmethoden
- Garantie
|
Bewakingsoverstroomrelais TRM-30F met display, 3-fasig tot 25A Het is ontworpen om apparatuur die gevoelig is voor bedrijfsstroom- en spanningswaarden te beschermen tegen fouten die kunnen optreden als gevolg van:
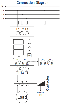
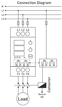
Met het TRM-30F digitale overstroomrelais met display kun je de stroom in elke fase bekijken en de motor of het apparaat beschermen tegen overstroom, overspanning, onderstroom, fase-uitval en fase-omkering. Deze digitale overbelastingsrelais zijn ontworpen om schade aan de motor/belasting door hoge stromen te voorkomen, terwijl de stroom in elke fase op het display kan worden gecontroleerd. Ze kunnen ook de cumulatieve spanningswaarden tussen fasen controleren. Dankzij de twee uitgangsrelais (1x NO, 1x NC) is het ook mogelijk om de belasting te regelen of uit te schakelen wanneer een setpoint voor overstroom wordt bereikt, of om een signaleringscontact naar het regelsysteem in te schakelen. De TRM-xx digitale relais hebben ingebouwde stroomtransformatoren en een 3x3-cijferig display voor stroomweergave. Toepassing en werkingsprincipe
Drivers
Contactstatus
LED-indicatie
Functie van de knop "V/A/RESET
Beveiliging en werkingsprincipe 1. Overstroombeveiliging (0,5-30 A):
2. Beveiliging tegen stroomasymmetrie:
3. Overspanningsbeveiliging (U>440 V):
4. Onderspanningsbeveiliging (U<265 V):
5. Beveiliging tegen spanningsasymmetrie:
6. Fasevolgordebeveiliging:
Berekening huidige asymmetrie Het instrument berekent de asymmetrie volgens de formule:
Voorbeeld: ((25 - 15) / 25) × 100 = 40% stroomasymmetrie. Technische specificatie
|
Online betaling met een kaart – na het afronden van de bestelling wordt u doorgestuurd naar de betaalpagina. De betalingsbevestiging wordt naar uw e‑mail gestuurd.
Rembours (COD) – u betaalt het bedrag rechtstreeks aan de chauffeur bij aflevering.
Via bankoverschrijving – uiterlijk op de volgende werkdag ontvangt u een pro‑forma factuur via e‑mail met het rekeningnummer waarop u kunt betalen.
Op factuur – deze betaalmogelijkheid is beschikbaar voor partners die met ons bedrijf een raamovereenkomst hebben gesloten.
Als u een van de laatste twee betaalmethoden wilt gebruiken, neem dan contact op met onze bedrijfsbeheerder. Hij zal u uitleggen hoe u een factuur kunt ontvangen met of zonder btw.
De elektrische apparatuur die wij leveren voldoet aan hoge kwaliteitsnormen, heeft een garantie van 24 maanden en voldoet volledig aan alle EU‑eisen.
In geval van een klacht worden er geen retourkosten in rekening gebracht.
