
Ontvang een e‑mailmelding wanneer dit product weer beschikbaar is
- Beschrijving
- Betaalmethoden
- Garantie
|
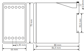
Driefasig stroomrelais voor belastingsstroomregeling/-begrenzing in het bereik 190-300 A, fabrikant TENSE (Turkije) De TRM-300 digitale overstroomrelais zijn ontworpen om belastingen te beschermen tegen schade veroorzaakt door hoge stromen en tegelijkertijd de werking te bewaken. - 190-300 A (instelbare overstroomwaarde) Gebruik van het apparaat en werkingsprincipe
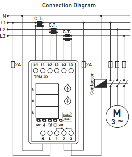
Wanneer het apparaat wordt ingeschakeld: Het TRM-300 serie elektronische stroomrelais is ontworpen om apparaten automatisch uit te schakelen wanneer de maximaal toegestane stroom wordt overschreden. Resetmodi: - Handmatige modus: Na een overstroomfout moet het apparaat worden gereset door op de resetknop te drukken. Opmerking: Om van modus te veranderen, moet je de selectieknop 10 seconden ingedrukt houden. Wanneer de modus wordt gewijzigd, gaat het bijbehorende LED-lampje branden. Asymmetrie 50% (vast) Als het verschil tussen de grootste en kleinste fasestroom groter is dan 50%, schakelt het apparaat binnen 2 seconden over naar de asymmetriefoutmodus. Als er een asymmetriefout optreedt: Technische parameters: - Bedrijfsspanning: 150-260 V AC
Opmerking: De modellen TRM-50, TRM-100, TRM-200 en TRM-300 kunnen alleen worden gebruikt met de stroomtransformatoren die bij het apparaat worden geleverd. De TRM-400 kan worden gebruikt met een 400/5 stroomtransformator.
Basis
|
Online betaling met een kaart – na het afronden van de bestelling wordt u doorgestuurd naar de betaalpagina. De betalingsbevestiging wordt naar uw e‑mail gestuurd.
Rembours (COD) – u betaalt het bedrag rechtstreeks aan de chauffeur bij aflevering.
Via bankoverschrijving – uiterlijk op de volgende werkdag ontvangt u een pro‑forma factuur via e‑mail met het rekeningnummer waarop u kunt betalen.
Op factuur – deze betaalmogelijkheid is beschikbaar voor partners die met ons bedrijf een raamovereenkomst hebben gesloten.
Als u een van de laatste twee betaalmethoden wilt gebruiken, neem dan contact op met onze bedrijfsbeheerder. Hij zal u uitleggen hoe u een factuur kunt ontvangen met of zonder btw.
De elektrische apparatuur die wij leveren voldoet aan hoge kwaliteitsnormen, heeft een garantie van 24 maanden en voldoet volledig aan alle EU‑eisen.
In geval van een klacht worden er geen retourkosten in rekening gebracht.
