
Notified by email when this product becomes available
- Description
- Instructions
- Payment methods
- Warranty
Tijdrelais ON-DELAY ERP (TENSE)
Omschrijving:
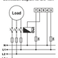
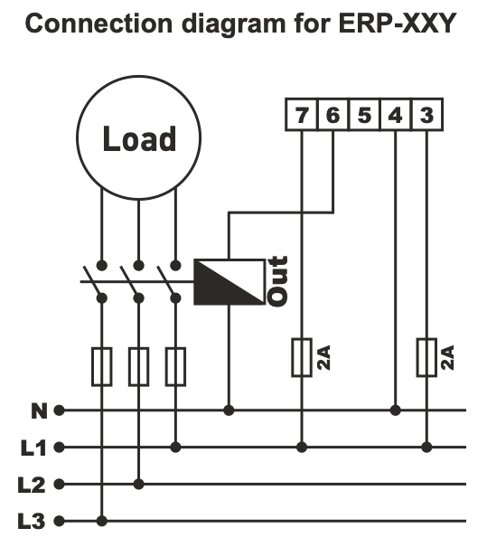
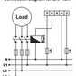
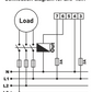
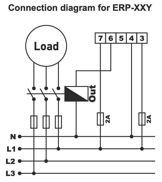
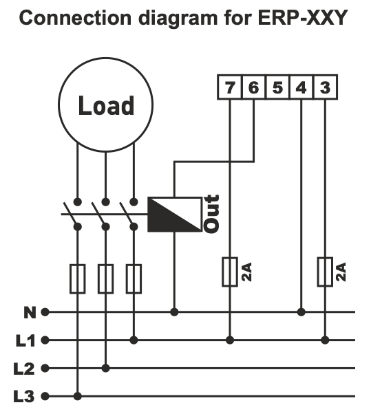
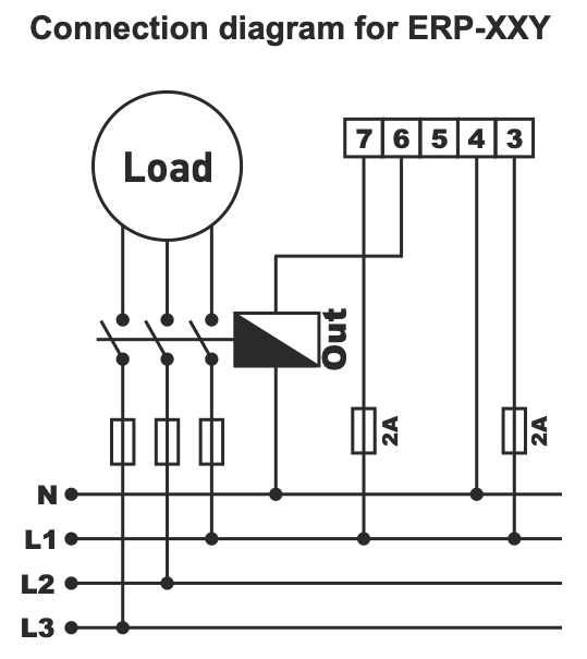
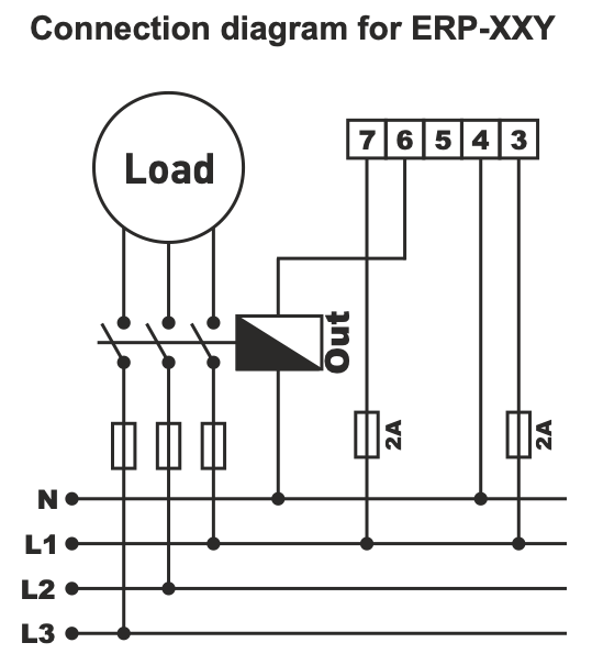
Tijdvertraging ON-DELAY ingebouwd monofunctioneel 230 V/AC relais met één schakelcontact. Het relais wordt gebruikt om belastingen zoals elektrische boilers, ovens en verwarmingstoestellen sequentieel te schakelen en voorkomt stroompieken in het netwerk die ervoor kunnen zorgen dat stroomonderbrekers doorslaan tijdens grote stroompieken. Het kan ook worden gebruikt om de inschakeltijd van meerdere apparaten in machines, apparaten of andere installaties te coârdineren.
Technische parameters:
-
Voeding: 230 V AC.
-
Uitgang: 1 Γ schakelcontact (SPDT)
-
Montage: 8-pins, 1/16 DIN (48 Γ 48 mm)
|
ERP-03Y: 0-3 s |
0-3 s |
|
ERP-12Y |
0-12 s |
|
ERP-30Y |
0-30 s |
|
ERP-60Y |
0-60 s |
|
ERP-12DY |
0-12 min |
|
ERP-03DY |
0-3 min |
|
ERP-30DY |
0-30 min |
|
ERP-60DY |
0-60 min |
Gebruik:
-
Geleidelijk schakelen van belastingen (elektrische boilers, ovens, verwarmingstoestellen)
-
Bescherming tegen netpieken
-
CoΓΆrdinatie van schakelen op meerdere apparaten
Voordelen:
-
Betrouwbaar en nauwkeurig tijdrelais
-
Eenvoudige installatie op DIN-rail
-
Universeel gebruik in industriΓ«le en huishoudelijke toepassingen
Categorie: IndustriΓ«le relais, Automatisering, Tijdrelais
Downloaden
Online payment by card β after completing the order, you will be redirected to the payment page. The payment confirmation will be sent to your eβmail.
Cash on delivery (COD) β you pay the amount directly to the driver upon delivery.
By bank transfer β at the latest on the next working day, you will receive a pro-forma invoice by eβmail with the account number to which you can pay.
On invoice β this payment option is available for partners who have concluded a framework agreement with our company.
If you want to use one of the last two payment methods, please contact our business manager. He will explain to you how to receive an invoice with or without VAT.
The electrical equipment we supply meets high quality standards, has a 24-month warranty, and fully complies with all EU requirements.
In case of a complaint, no return costs will be charged.
