Notified by email when this product becomes available
Pre-order product
- Description
- Instructions
- Payment methods
- Warranty
3-phase network analyzer / Network analyzer / Netwerkanalysator - multifunctional digital panel meter, current, voltage, frequency, and total power indicator, with relay output, RS485 ModBus RTU - TPM-04SHDL manufacturer TENSE (Turkey) panel meters.
Power analyzers are designed to measure and monitor electrical values. Thanks to the communication function, the measured energy values can be monitored and reported independently. Analyses such as power quality, efficiency, and unit cost calculation can be performed with the power analyzers.
Key benefits:
- RS485 Modbus RTU (1200-19200b/s)
- Three-phase voltage transformer and three-phase current transformer.
-
Shows the harmonic components of voltage and current up to the 31st harmonic.
-
Display of active power per phase (P)
-
Display of reactive power per phase (Q, inductive and capacitive)
-
Display of the apparent power per phase (S)
-
Display of the Cosφ and power factor values of each phase.
-
Shows the voltage (V) and current (I) values between phases and neutral phases and measures the frequency.
-
Displays the total values for active energy input and output (ΣkWh).
-
Displays the total values of inductive and capacitive reactive energy (ΣkVArh).
-
Display of minimum and maximum values, max. demand
-
2 relay outputs, 1 digital input
-
Event logs (high/low voltage/current, voltage/current asymmetry, THD-I)
-
Menu is password protected.
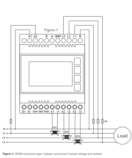
This network analyzer is typically used with current transformers - 60/5 75/5 100/5 150/5 200/5 250/5 300/5 400/5 500/5 600/5 800/5 1000/5 1500/5 or similar. If you are going to connect the analyzer to ModBus, we will send you a "Registration Table" with ModBus addresses upon request.
Online payment by card – after completing the order, you will be redirected to the payment page. The payment confirmation will be sent to your e‑mail.
Cash on delivery (COD) – you pay the amount directly to the driver upon delivery.
By bank transfer – at the latest on the next working day, you will receive a pro-forma invoice by e‑mail with the account number to which you can pay.
On invoice – this payment option is available for partners who have concluded a framework agreement with our company.
If you want to use one of the last two payment methods, please contact our business manager. He will explain to you how to receive an invoice with or without VAT.
The electrical equipment we supply meets high quality standards, has a 24-month warranty, and fully complies with all EU requirements.
In case of a complaint, no return costs will be charged.
