
Notified by email when this product becomes available
- Description
- Instructions
- Payment methods
- Warranty
Paneeltijdrelais ERD-48M - Universele digitale timer voor industriële en huisautomatisering
De ERD-48M Paneelklokrelais is een multifunctionele digitale timer ontworpen voor tijdcycluscontrole, industriële processen, machines voor eenmalig gebruik en domotica. Het biedt 13 verschillende bedrijfsmodi, nauwkeurige programmering en een groot aantal besturingsopties.
Met het apparaat kan eenvoudig een tijdreeks van 0,1 seconde tot 99,59 uur worden ingesteld met de knoppen op het voorpaneel. Het dubbele LED-display maakt de weergave van waarden duidelijk en leesbaar, zelfs van een afstand.
Belangrijkste kenmerken:
-
Multifunctionele digitale timer met START / RESET / GATE besturingsingangen
-
13 programmeerbare modi voor een breed scala aan toepassingen
-
Tijdseenheden: uren (99:59) / minuten (99:59) / seconden (599,9 s)
-
Laatste statusgeheugen - onthoudt instellingen en uitgangsstatus tijdens stroomuitval
-
Dubbel LED-display:
-
bovenste regel (rood): instelpunt
-
onderste regel (geel): huidige gemeten tijd of status
-
-
Indicatie van het sluiten van het OUT relais met een rode LED
-
Ingebouwde voeding voor sensoren: 12 V DC, max. 50 mA
-
Compatibel met 24 VDC-signalen (PNP) of aangepaste 12V-uitgang vanaf klem 9
-
Robuuste constructie, paneelmontage 48×48 mm
Functies en bediening
Het apparaat heeft 13 verschillende bedrijfsmodi die volledige flexibiliteit in de regeling mogelijk maken:
-
Tijdvertraging AAN
-
Tijdvertraging UIT
-
cyclisch aan/uit
-
eenmalige timing
-
sequentiële logische besturing
-
tijdrelais met pauze (GATE)
-
andere speciale timingmodi
(Een lijst met 13 modi kan op verzoek worden toegevoegd.)
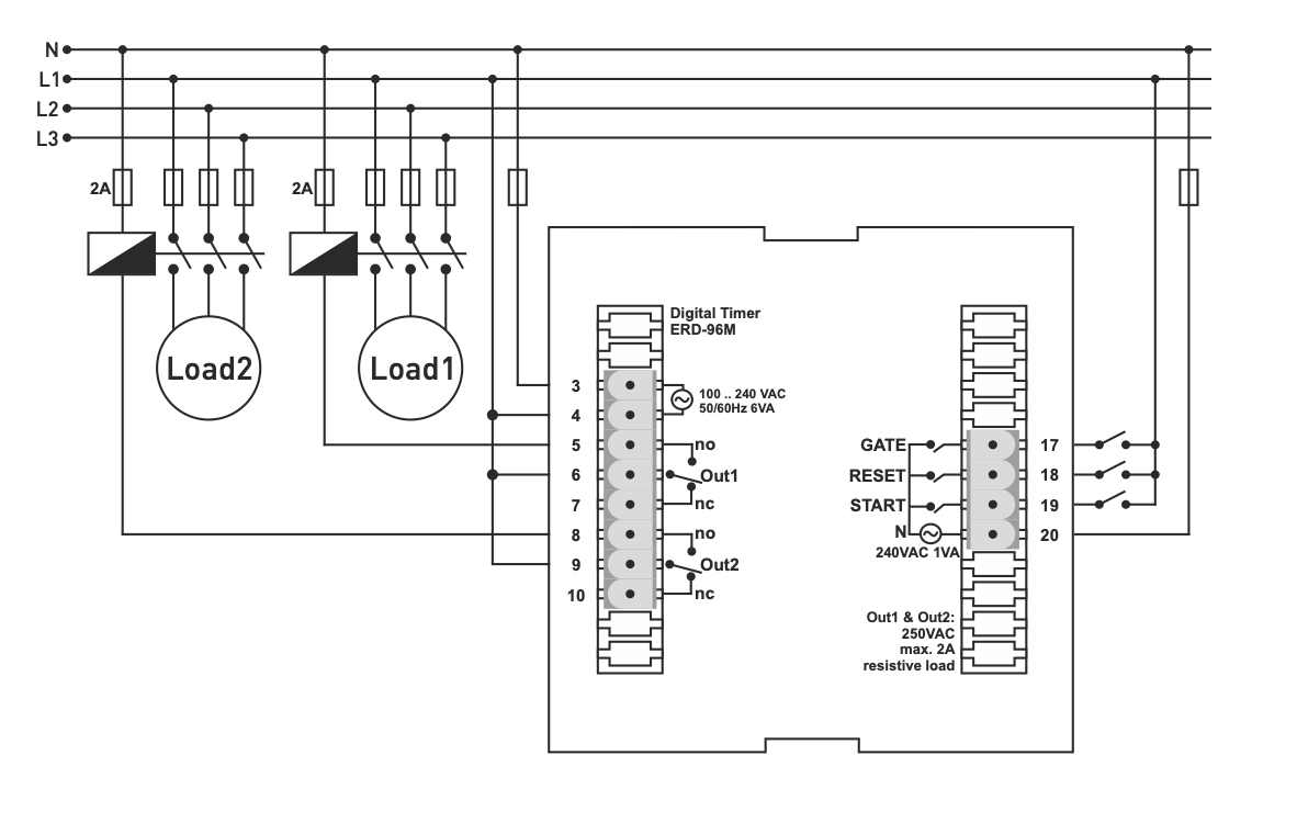
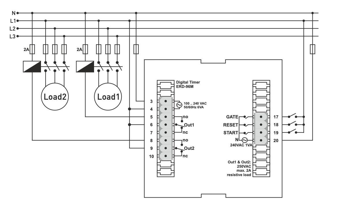
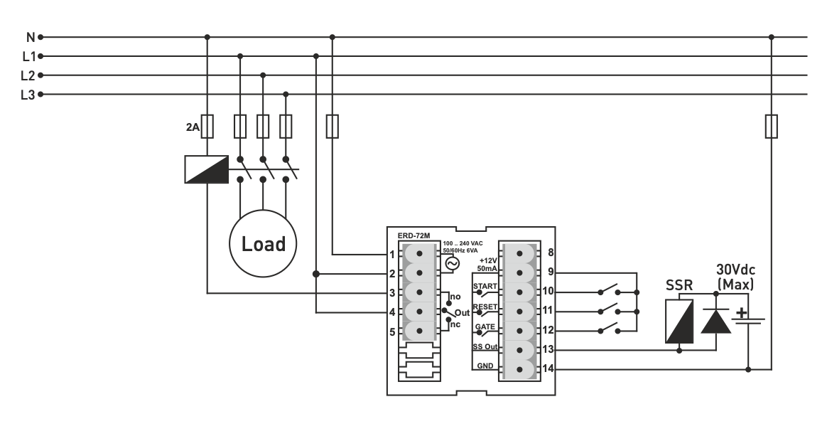
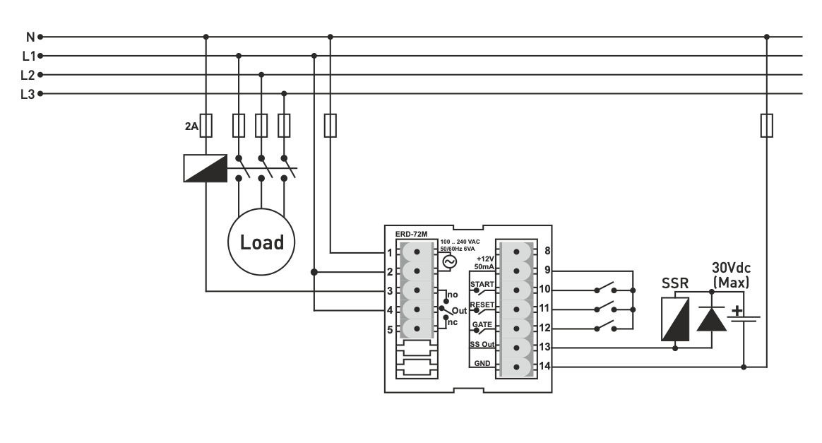
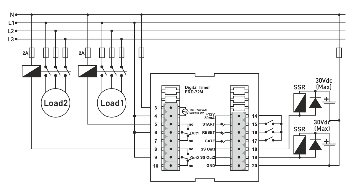
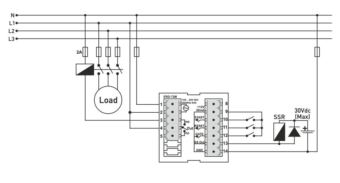
Stuuringangen:
-
START (klem 10): start de timer.
-
RESET (aansluitklem 11): zet de tijd terug.
-
GATE (klem 12): pauzeert het aftellen (PAUSE)
-
Klem 9: geïntegreerde +12 V DC voor sensoren/bedieningsknoppen (max. 50 mA)
Uitgangen
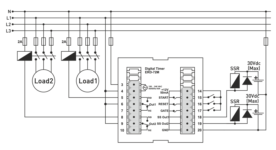
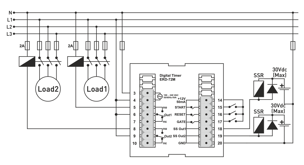
Relaisuitgang OUT1 (klemmen 4-3-5):
-
Type: SPDT-schakelaar (NO-COM-NC)
-
Belasting: 250 VAC / 2 A, ohmse belasting
SSR-uitgang OUT2 (klemmen 13 en 14):
-
Stuursignaal voor solid-state relais
-
Max. uitgangsniveau: 30 V DC
Technische specificaties
-
Voedingsspanning: 100...240 V AC, 50/60 Hz
-
Stroomverbruik: < 8 VA
-
Timingbereik:
-
0,1 s tot 599,9 s
-
0 tot 99:59 min
-
0 tot 99:59 u
-
-
START/RESET/GATE-ingangen: 7-32 V DC (AAN), 0-2 V DC (UIT)
-
Display: 2×4-digit, 7-segment LED (rood + geel)
-
Bedrijfstemperatuur: -20 °C tot +55 °C
-
Uitsparing voor paneelmontage: 44 × 44 mm
-
Totale afmetingen: 48 × 48 × 99 mm
-
Hoogte bij gebruik: < 2000 m
-
Montage: paneelmontage, frontmontage
Downloaden
Online payment by card – after completing the order, you will be redirected to the payment page. The payment confirmation will be sent to your e‑mail.
Cash on delivery (COD) – you pay the amount directly to the driver upon delivery.
By bank transfer – at the latest on the next working day, you will receive a pro-forma invoice by e‑mail with the account number to which you can pay.
On invoice – this payment option is available for partners who have concluded a framework agreement with our company.
If you want to use one of the last two payment methods, please contact our business manager. He will explain to you how to receive an invoice with or without VAT.
The electrical equipment we supply meets high quality standards, has a 24-month warranty, and fully complies with all EU requirements.
In case of a complaint, no return costs will be charged.
