
Notified by email when this product becomes available
- Description
- Instructions
- Payment methods
- Warranty
|
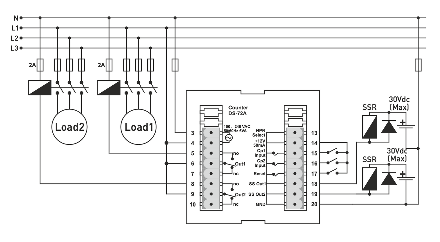
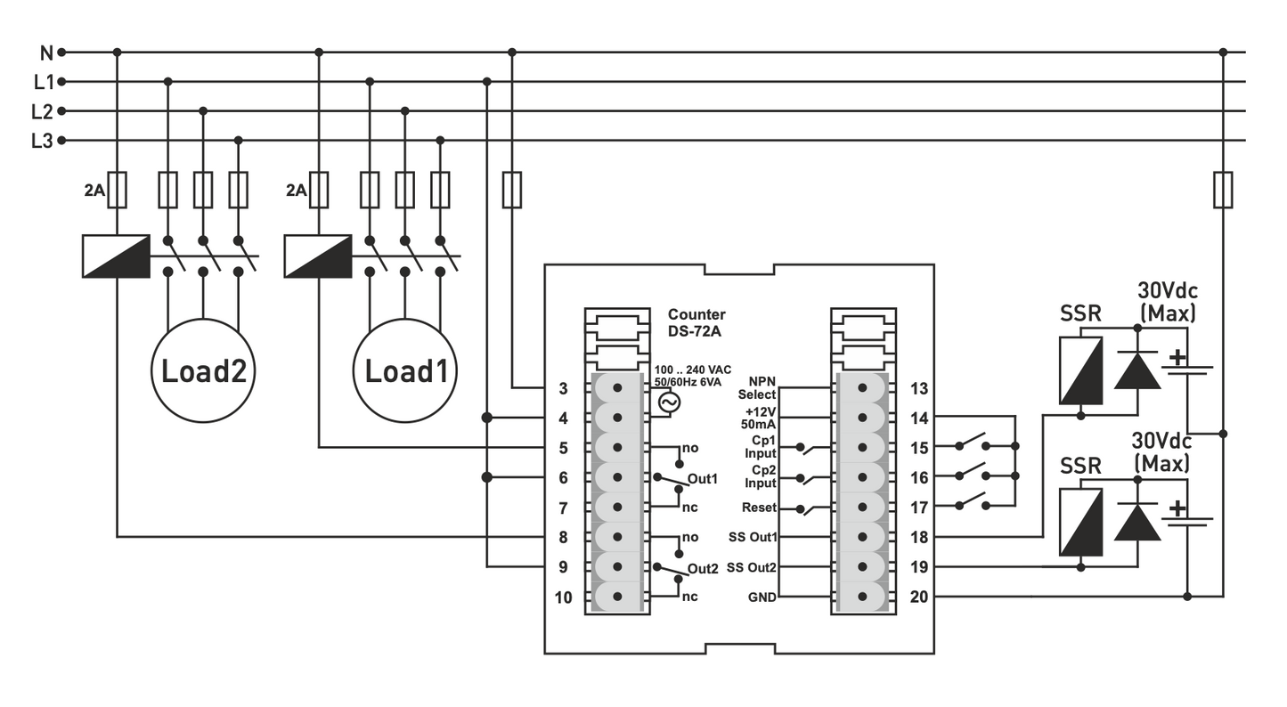
Detailed description General specification of the pulse counter DS-72A: 2x 6-digit display, 2x PRESET value, 2x OUT output relays, 2x SSout for driving SSR relays.
Counts signals from mechanical switches, limit switches, PNP/NPN inductive proximity sensors, and incremental encoder inputs. Count up/down. Password protection. Input frequency adjustable: 20, 50, 2500, 7500 Hz. Calibration constant: 0.00001.....9.99999 Selectable decimal point: 0 / 0.0 / 0.00 / 0.000
Function combination options: 7 input functions / 10 output functions: Addition, Countdown, Addition/subtraction of two inputs simultaneously, Count/count pause controlled by the second input, Input denial controlled by the second input, Add / subtract from rising edge / falling edge / both edges simultaneously, Add on rising edge / subtract on falling edge / ignore function by the second input.
Adjustable "OFFSET" of the calculated value. PRESET1 with absolute/relative value option. OUT 2x relay: on when value is reached and held until RESET, or pulse in the range 0.1.....999.9 seconds. Remembers the pulse count value and the status of the OUT relay at the last power interruption and can be reset when power is restored. RESET via push button on front panel or signal to RESET(17) terminal. Can display preset ½ values. EEPROM memory for storing settings.
Technical specifications: Dimensions / Opening: 72x72x94 mm / 67x67 mm Display: 2x 6-digit 7-segment LED display. Indicator LEDs: 5x: OUT1, OUT2, Finger1, Finger2, Batch. Inputs: 2x (Max: 7500 Hz, 5-30 V) NPN selection: connect the "npn select" terminal (13) to the "+12V" terminal (14) to connect the NPN sensor connected to input Cp1(15) and Cp2 (16). The reset input is always PNP. For totem field encoders or encoders of the PNP type, the "npn select" is not connected. Input types: mechanical switch, inductive encoder PNP/NPN encoder output NPN/PNP/totem-pole. Input frequencies: 20, 50, 2500, 7500 Hz. Reset signal: RESET terminal (17), minimum 10 ms, + signal (PNP only) (5...30 V). Outputs (OUT): 2x SPDT relays 250VAC, 2A, resistive load, OUT1: terminals 6=COM, 5=NO, 7=NC OUT2: terminals 9=COM, 8=NO, 10=NC SSout 2x SSR control - NPN, 30V, 100mA max, terminal 18=SSout1, 19=SSout2, 20=GND
Sensor power: terminal (14) 12 VDC, 50 mA (max.), unregulated. Supply voltage: 100...240 VAC, 50-60 Hz. Power consumption: < 8 VA Operating temperature: -20°C ... +55°C Altitude: <2000m
Installation instructions: Use shielded and twisted signal cables and connect the shielding to ground. Keep all signal cables away from circuit breakers, inductive loads, equipment/cables emitting electrical noise, and power cables. Take precautions against environmental influences such as moisture, vibration, contamination, and high/low installation temperature. Use a fuse (F250mA 250VAC) on the mains power input of the equipment. Use suitable cables for power supply. Observe safety regulations during installation. Preferably use the option (Inpt = Phs1) for encoders, Select (Freq = 20) for counting pulses from the mechanical ON/OFF switch. Always select the minimum input frequency option that suits your application. For Inpt = 1u2u, 1u2d, Phs2; the input signal frequency must not exceed ½ of the selected input frequency option when both inputs are used. |
For Inpt = Phs4; the frequency of the input signal must not exceed 1/4 of the selected input frequency option when both inputs are used.
Online payment by card – after completing the order, you will be redirected to the payment page. The payment confirmation will be sent to your e‑mail.
Cash on delivery (COD) – you pay the amount directly to the driver upon delivery.
By bank transfer – at the latest on the next working day, you will receive a pro-forma invoice by e‑mail with the account number to which you can pay.
On invoice – this payment option is available for partners who have concluded a framework agreement with our company.
If you want to use one of the last two payment methods, please contact our business manager. He will explain to you how to receive an invoice with or without VAT.
The electrical equipment we supply meets high quality standards, has a 24-month warranty, and fully complies with all EU requirements.
In case of a complaint, no return costs will be charged.
