
Recevez une notification par e-mail lorsque ce produit est de nouveau disponible
- Description
- Instructions
- Méthodes de paiement
- Garantie
-
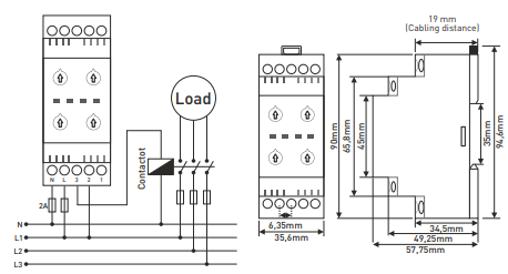
Diamètre du câble : 2,5 mm2
Relais de protection pour équipements avec tensions de fonctionnement sensibles et sous-tensions contre les défauts causés par le réseau électrique. Monophasé. Fabriqué par TENSE.
Description détaillée
Relais de surveillance de surtension et sous-tension GKM-11, monophasé
Le relais de protection de tension réglable GKM-11 (sur- et sous-tension) est conçu pour mesurer la tension et prévenir les défauts en désactivant le relais (en coupant la charge) dans les systèmes de distribution monophasés, les tableaux de commande et les équipements. Il surveille la grandeur de la tension dans un système monophasé entre L-N.
À l'aide de potentiomètres rotatifs, les limites de tension supérieure et inférieure peuvent être réglées, ce qui ouvre le contact du relais de sortie. Avec le retard de temps réglable "DT" et "RT", une réponse non désirée trop rapide peut être éliminée. L'alimentation est connectée en interne à la tension surveillée. L'état normal est indiqué par une LED verte. L'état de défaut est indiqué par 2 LED rouges "LV" et "HV" et par l'ouverture du contact du relais de sortie.
Spécifications techniques
Tension de fonctionnement : 220 V AC, 50/60 Hz.
Haute tension : 230V-300V
Basse tension : 150V-210V
Temps de retard : 0,5 s - 20 s.
Temps de réinitialisation : 0,5 s - 20 s.
Puissance de fonctionnement : <6 VA
Température de fonctionnement : -20 °C ..... + 55 °C
Affichage : 3 LED
Type de connexion : montage sur rail DIN.
Poids : 0,100 kg
Contact : 5A / 250VAC Charge résistive
Hauteur de travail : < 2000 m
Paiement en ligne par carte – après avoir finalisé la commande, vous serez redirigé vers la page de paiement. La confirmation de paiement vous sera envoyée par e‑mail.
Contre remboursement (COD) – vous payez le montant directement au chauffeur à la livraison.
Par virement bancaire – au plus tard le jour ouvrable suivant, vous recevrez une facture pro forma par e‑mail avec le numéro de compte sur lequel vous pouvez payer.
Sur facture – cette option de paiement est disponible pour les partenaires ayant conclu un accord-cadre avec notre entreprise.
Si vous souhaitez utiliser l’une des deux dernières méthodes de paiement, veuillez contacter notre gestionnaire d’entreprise. Il vous expliquera comment recevoir une facture avec ou sans TVA.
Les équipements électriques que nous fournissons répondent à des normes de qualité élevées, bénéficient d'une garantie de 24 mois et sont entièrement conformes à toutes les exigences de l'UE.
En cas de réclamation, aucun frais de retour ne sera facturé.
