Recevez une notification par e-mail lorsque ce produit est de nouveau disponible
Produit en précommande
- Description
- Instructions
- Méthodes de paiement
- Garantie
|
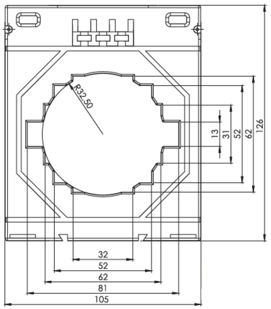
Transformateur de courant 81x13, 1500/5A -0,5S - 20VA - 80mm, Tension
Les transformateurs de tension permettent une mesure et un contrôle précis des paramètres électriques dans les systèmes AC. Ils convertissent des valeurs de courant élevées en valeurs plus basses et sûres pour les appareils de mesure, permettant ainsi une gestion et un contrôle efficaces des systèmes électriques. Spécifications techniques
Coefficient : 1500/5A Capacité de charge : 20VA Classe de précision 0,5S Bloc de connexion Couvercle non amovible ; pour conducteurs haute tension ; fabriqué en laiton pour une sécurité accrue Boîtier ABS ininflammable et auto-extinguible Montage KK0001 ou KK0002 Enroulement primaire 80 x 10 mm Conducteur rond Ø 65 mm Résistance T au courant de court-circuit Ith = 60*In Résistance T à l'exposition au courant constant Id = 1 * In Température ambiante (heures de fonctionnement) -25°C~+85°C Fréquence nominale 50 Hz ... 60 Hz Limitation du courant de commutation FS 5 Tension d'essai 3 kV pendant 1 minute Tension maximale du système 0,72 kV Normes : IEC 60044-1, IEC 61869-2, VDE 0414-1, DIN57414, BS3938, BS7626, EN 61869
Avantages des transformateurs de courant de tension : Haute précision : offrent des mesures fiables pour un contrôle précis des paramètres électriques. Large gamme de courants nominaux : permet de choisir le modèle optimal pour des besoins spécifiques. Différentes tailles : différentes dimensions d'ouverture assurent une flexibilité lors de l'installation et une compatibilité avec divers conducteurs. Fiabilité et durabilité : fabriqués à partir de matériaux de haute qualité garantissant une longue durée de vie. |
Le choix des transformateurs de courant de tension garantit un fonctionnement stable des systèmes électriques et une précision de mesure, un facteur clé pour une gestion efficace de l'énergie.
Downloaden
Technische informatie over stroomtransformatoren (996 kB) - te versturen op aanvraag
Paiement en ligne par carte – après avoir finalisé la commande, vous serez redirigé vers la page de paiement. La confirmation de paiement vous sera envoyée par e‑mail.
Contre remboursement (COD) – vous payez le montant directement au chauffeur à la livraison.
Par virement bancaire – au plus tard le jour ouvrable suivant, vous recevrez une facture pro forma par e‑mail avec le numéro de compte sur lequel vous pouvez payer.
Sur facture – cette option de paiement est disponible pour les partenaires ayant conclu un accord-cadre avec notre entreprise.
Si vous souhaitez utiliser l’une des deux dernières méthodes de paiement, veuillez contacter notre gestionnaire d’entreprise. Il vous expliquera comment recevoir une facture avec ou sans TVA.
Les équipements électriques que nous fournissons répondent à des normes de qualité élevées, bénéficient d'une garantie de 24 mois et sont entièrement conformes à toutes les exigences de l'UE.
En cas de réclamation, aucun frais de retour ne sera facturé.
