
Recevez une notification par e-mail lorsque ce produit est de nouveau disponible
- Description
- Instructions
- Méthodes de paiement
- Garantie
PID-paneeltemperatuurregelaar - TENSE DTZ-48
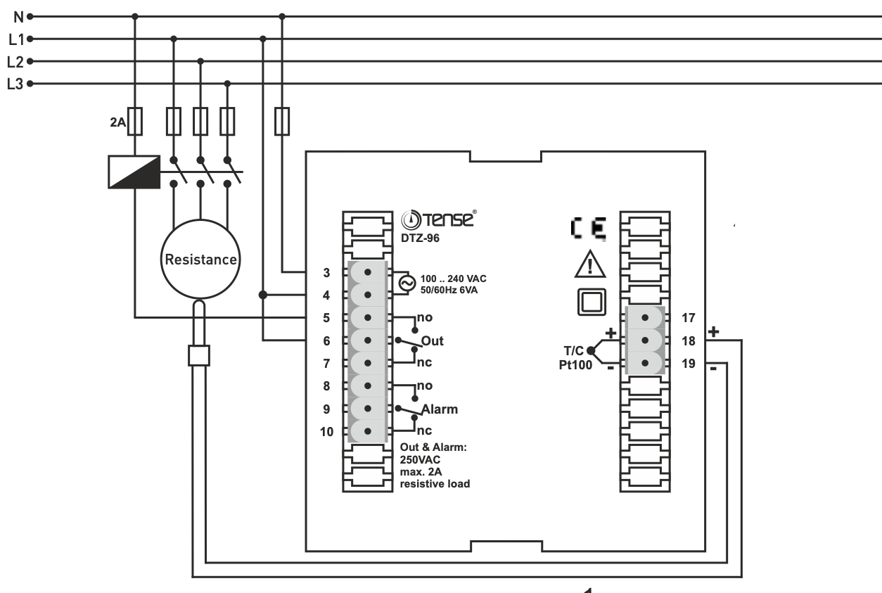
DTZ-48 is een paneeltemperatuurregelaar met ingebouwde timer, ontworpen voor nauwkeurige regeling van thermische processen in de industrie, verwarming, airconditioning, ventilatiesystemen en gebouwautomatisering.
De regeling werkt met de klassieke AAN/UIT-modus of met een geavanceerde PID-regeling met zelfoptimalisatie en proceswaardebegrenzing.
Belangrijkste kenmerken
-
Temperatuurmeetbereik: -100 °C tot +1750 °C (afhankelijk van het sensortype)
-
Sensortype: T/C thermokoppels (J, K, T, S, R) of Pt100 resistieve sensor
-
Type regeling: P, PI, PD, PID of AAN/UIT
-
Ingebouwde timer voor procesregeling
-
Automatische afstelling van PID-parameters
-
Anti-windup - voorkomt dat de regeluitgang stijgt tijdens verzadiging
-
Vertraging bij inschakelen uitgang voor koelmodus
-
Wachtwoordbeveiliging
-
EEPROM-geheugen voor het opslaan van instellingen
-
Regeluitgang: relais OUT (NO+NC) 250 VAC, 2A
-
Alarmuitgang: ALARM relais (NO+NC) 250 VAC, 2A, actief bij over- of onderwaarde (ON alleen op DTZ-48)
-
Display: Hoog contrast, gemakkelijk af te lezen, zelfs bij weinig licht
Functies
-
Nauwkeurige temperatuurregeling met sensor-specifieke aanpassing van het meetbereik
-
Regelaar maakt gelijktijdige weergave van instelpunt en werkelijke waarde mogelijk
-
Ingebouwde timer voor het plannen van verwarmings- of koelprocessen
-
Alarmrelais waarschuwt wanneer de waarde wordt overschreden of niet wordt bereikt
Aanbevolen sensor
-
Thermokoppel type J Fe-Const (6/8 meter)
-
Meetschaal: -100 °C tot +600 °C
-
Kabellengtes: 1 m, 1,5 m, 2 m, 2,5 m, 3 m, 4 m en 5 m
Toepassing
-
Regeling van verwarming en koeling in industriële ovens en lijnen
-
Temperatuurregeling van machines en apparatuur in de voedingsmiddelen-, chemische en lichte industrie
-
Gebouwautomatisering en airconditioningsystemen
-
Toepassingen waarbij een betrouwbare alarmuitgang vereist is
Downloaden
Paiement en ligne par carte – après avoir finalisé la commande, vous serez redirigé vers la page de paiement. La confirmation de paiement vous sera envoyée par e‑mail.
Contre remboursement (COD) – vous payez le montant directement au chauffeur à la livraison.
Par virement bancaire – au plus tard le jour ouvrable suivant, vous recevrez une facture pro forma par e‑mail avec le numéro de compte sur lequel vous pouvez payer.
Sur facture – cette option de paiement est disponible pour les partenaires ayant conclu un accord-cadre avec notre entreprise.
Si vous souhaitez utiliser l’une des deux dernières méthodes de paiement, veuillez contacter notre gestionnaire d’entreprise. Il vous expliquera comment recevoir une facture avec ou sans TVA.
Les équipements électriques que nous fournissons répondent à des normes de qualité élevées, bénéficient d'une garantie de 24 mois et sont entièrement conformes à toutes les exigences de l'UE.
En cas de réclamation, aucun frais de retour ne sera facturé.
