
Recevez une notification par e-mail lorsque ce produit est de nouveau disponible
- Description
- Instructions
- Méthodes de paiement
- Garantie
|
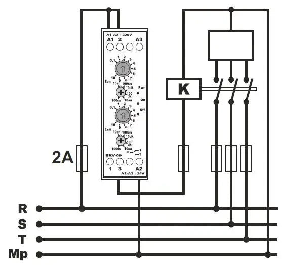
Relais cyclique ERV-09D, fabricant Tense (Turquie) Le relais de signalisation ERV-09D est conçu pour une utilisation dans des lieux (production, bâtiments résidentiels, usines, etc.) où un contrôle double (marche-arrêt) est requis.
230 V AC ou 12 V DC Fonctionnement : 1 s - 99 min (réglable)
Veille : 1 s - 99 min (réglable)
Affichage : la valeur est affichée lors du réglage du temps et du compte à rebours du temps réglé. Si le temps de fonctionnement est réglé en minutes, le point à droite de l'affichage clignote pendant le compte à rebours.
L'indication MARCHE est réservée au temps de fonctionnement et l'indication ARRÊT est réservée au temps de veille.
Spécifications techniques
Tension de fonctionnement (A1-A2) 100-240 V AC, 50/60 Hz. Tension de fonctionnement (A2-A3) 12 V DC (A2(-), A3(+)) Fréquence de travail 50/60 Hz. Puissance de fonctionnement : <6 VA Température de fonctionnement : -20 °C.....+55 °C Intervalle de temps : 0,1 s - 99 min. Affichage : affichage LED 2x2, 1 LED. Montage sur rail DIN. Poids : <80 g. Contact : 5 A, 250 V AC, charge ohmique. |
Altitude d'utilisation : <2000 m. Section de câble 2,5 mm².
Paiement en ligne par carte – après avoir finalisé la commande, vous serez redirigé vers la page de paiement. La confirmation de paiement vous sera envoyée par e‑mail.
Contre remboursement (COD) – vous payez le montant directement au chauffeur à la livraison.
Par virement bancaire – au plus tard le jour ouvrable suivant, vous recevrez une facture pro forma par e‑mail avec le numéro de compte sur lequel vous pouvez payer.
Sur facture – cette option de paiement est disponible pour les partenaires ayant conclu un accord-cadre avec notre entreprise.
Si vous souhaitez utiliser l’une des deux dernières méthodes de paiement, veuillez contacter notre gestionnaire d’entreprise. Il vous expliquera comment recevoir une facture avec ou sans TVA.
Les équipements électriques que nous fournissons répondent à des normes de qualité élevées, bénéficient d'une garantie de 24 mois et sont entièrement conformes à toutes les exigences de l'UE.
En cas de réclamation, aucun frais de retour ne sera facturé.
