
Notified by email when this product becomes available
- Description
- Instructions
- Payment methods
- Warranty
|
Detailed description Pulse counter for DS-48 panel (2x 4-digit display: 1x counter, 1x target value)
General specification of the DS-48 pulse counter: 2x 4-digit display, 1x preset value, 1x output relay OUT, clock/down counter Counts signals from mechanical switches, inductive PNP/NPN proximity sensors, and incremental encoder inputs. Password protection. Adjustable input frequency: 20, 50, 2500, 7500 Hz Calibration constant: 0.001.....9.999 Selectable decimal point: 0, 0.0, 0.00, 0.000
7 input functions / 9 output functions: - counting, - countdown, - add/count from two inputs simultaneously, - counting/count pause controlled by the second input, - input negation controlled by the second input, - add/subtract from rising/falling edge/ both edges simultaneously, - add on rising edge / subtract on falling edge / function negation with second input
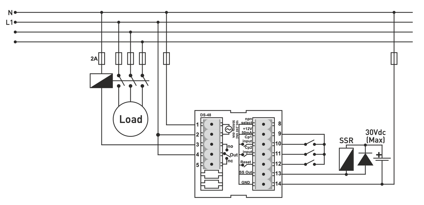
Adjustable "OFFSET" of the calculated value OUTPUT relay: switches on when the value is reached and holds until RESET or pulse within the range of 0.1.....999.9 seconds Remembers the pulse count value and the status of the OUTP relay during the last power failure and can be reset after the first power-on. RESET via button on the front panel or signal at RESET terminal (12). EEPROM memory for storing settings.
Installation notes:
Use shielded and twisted signal cable and ground the shielding. Keep all signal cables away from circuit breakers, inductive loads, devices/cables emitting electrical noise, and power cords. Avoid environmental influences such as moisture, vibrations, dirt, and high/low temperatures. Use a fuse (F250mA 250VAC) at the power input of the equipment. Use a suitable cable for the power supply. Observe safety regulations during installation. Preferably use the option (Inpt = Phs1) for the encoder and select (Frequency = 20) for counting the pulses of the mechanical ON/OFF switch, select the optimal minimum input frequency suitable for your application. For Inpt = 1u2u, 1u2d, Phs2; the frequency of the input signal must not exceed ½ of the selected input frequency if both inputs are used.
For Inpt = Phs4; the frequency of the input signal must not exceed 1/4 of the selected input frequency if both inputs are used.
Technical parameters: Dimensions / Opening: 48x48x96 mm / 44x44 mm Display: 2x4 digit 7-segment LED display. Number of inputs: 2 x (Max: 7500 Hz, 5-30 V) Input type: mechanical switch, inductive sensor PNP/NPN, encoder output NPN/PNP/totem pole Input frequencies: 20, 50, 2500, 7500 Hz. NPN sensor selection. The reset input is always PNP. No "npn select" is connected for totem or PNP sensors. Reset signal: terminal (12), minimum 10 ms, + signal (PNP only) (5.....30 V) Supply voltage: 100...240 V AC, 50-60 Hz. Power consumption: < 8 VA Output (OUT): 1x SPDT relay 250VAC, 2A, resistive load, terminals 4=COM, 3=NO, 5=NC, 1x SSR control - NPN, 30V, max 100mA, terminal 13=SSout, 14=GND Sensor power supply: terminal (9) 12 VDC, 50 mA (max.), unregulated Conversion temperature: -20°C ... +55°C |
Supervisor height: <2000m
Online payment by card – after completing the order, you will be redirected to the payment page. The payment confirmation will be sent to your e‑mail.
Cash on delivery (COD) – you pay the amount directly to the driver upon delivery.
By bank transfer – at the latest on the next working day, you will receive a pro-forma invoice by e‑mail with the account number to which you can pay.
On invoice – this payment option is available for partners who have concluded a framework agreement with our company.
If you want to use one of the last two payment methods, please contact our business manager. He will explain to you how to receive an invoice with or without VAT.
The electrical equipment we supply meets high quality standards, has a 24-month warranty, and fully complies with all EU requirements.
In case of a complaint, no return costs will be charged.
