
Erhalten Sie eine E-Mail-Benachrichtigung, wenn dieses Produkt wieder verfügbar ist
- Beschreibung
- Anweisungen
- Zahlungsmethoden
- Garantie
|
Phasenschutzrelais mit Phasenfolgeregelung, Asymmetrie: 5% - 50% (einstellbar), hergestellt von TENSE (Türkei)
Phasenschutzrelais sind dafür ausgelegt, Drehstrommotoren vor Netzstörungen im Zusammenhang mit Phasenfolgefehlern, Spannungssymmetrie, Überschreitung oder Unterschreitung des zulässigen Spannungsniveaus zu schützen.
Spannung: 400 V - 480 V AC (einstellbar) Unterspannung: 260 V - 360 V AC (einstellbar) Asymmetrie: 5% - 50% (einstellbar) Fehlerwartezeit: 1 s - 30 s (einstellbar) Rücksetzzeit: 1 s - 30 s (einstellbar) Phasenabweichungsregelung
Allgemeine Funktionsprinzipien:
Unter normalen Bedingungen: Wenn sich alle Phasen innerhalb der zulässigen Werte befinden und ihre Reihenfolge korrekt ist, wird das Relais angezogen und die OUT-LED leuchtet.
Hochspannungsfehler (H): Wenn die Spannung an einer oder mehreren Phasen den eingestellten Wert überschreitet, wartet das Gerät während der eingestellten Fehlerwartezeit (Err In), danach erscheint "H" auf dem Display, das Relais schaltet ab und die OUT-LED leuchtet nicht.
Wenn alle Spannungen 5 V unter den eingestellten Grenzwert fallen, wartet das Gerät während der Wiederherstellungszeit (Err OUT), danach wird das Relais eingeschaltet und die OUT-LED leuchtet.
Niederspannungsfehler (L): Wenn die Spannung an einer oder mehreren Phasen unter den eingestellten Wert fällt, wartet das Gerät auf Err In, dann erscheint L, das Relais wird ausgeschaltet und OUT leuchtet.
Wenn die Spannung 5 V über den Schwellenwert steigt, wartet das Gerät auf Err OUT und das Relais wird eingeschaltet.
Phasenasymmetriefehler (Asa): Wenn die Spannungsdifferenz zwischen den Phasen den eingestellten Wert überschreitet, wartet das Gerät auf Err In, zeigt dann "ASy" an und das Relais wird ausgeschaltet.
Wenn die Asymmetrie um 2% unter den eingestellten Schwellenwert fällt, wartet das Gerät auf Err OUT und das Relais wird eingeschaltet.
Phasenfolgefehler (pH's): Wenn die Phasenfolge unterbrochen ist, wartet das Gerät auf Err In, zeigt dann "phs" an und das Relais wird spannungslos. Wenn die richtige Reihenfolge wiederhergestellt ist, wartet das Gerät auf Err OUT, woraufhin das Relais einschaltet.
Technische Spezifikationen
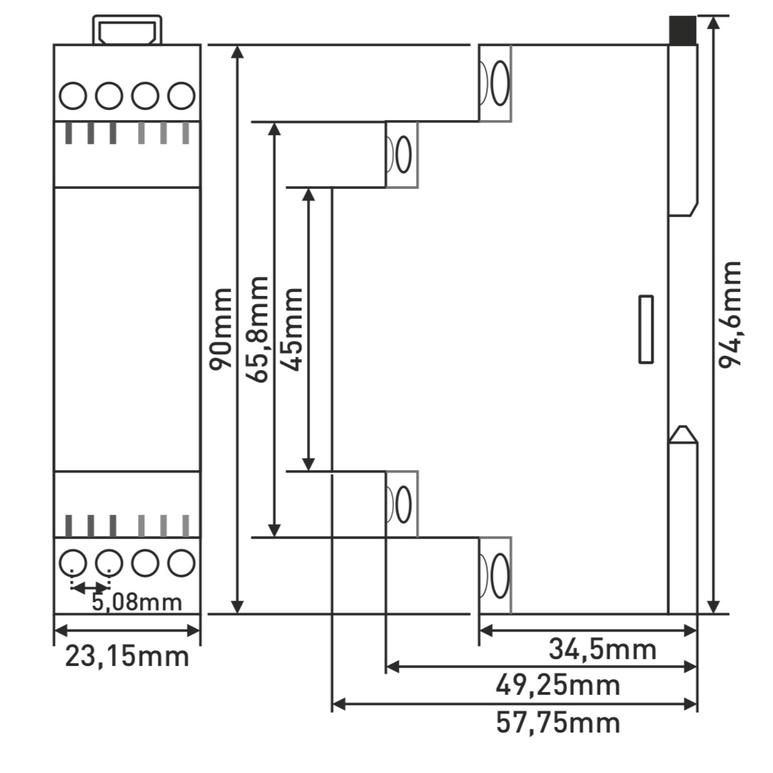
Betriebsspannung (un) 3×380 VAC + Neutralleiter Frequenz 50/60 Hz Aufgenommene Leistung < 6 VA Betriebstemperatur -20°C bis +55°C Hochspannungsschwelle 400-480 V AC Niederspannungsschwelle 260-360 V AC Asymmetrie (Anpassung) von 5% bis 50% Relaiskontakt 5 A / 250 V AC (ohmsche Last) Display 3×3 Segmentanzeige, 1 LED Montage auf DIN-Schiene Gewicht < 150 g Max. Installationshöhe < 2000 m |
Kabelquerschnitt bis 2,5 mm²
Online-Zahlung mit einer Karte – nach Abschluss der Bestellung werden Sie zur Zahlungsseite weitergeleitet. Die Zahlungsbestätigung wird an Ihre E‑Mail gesendet.
Nachnahme (COD) – Sie zahlen den Betrag direkt an den Fahrer bei Lieferung.
Per Banküberweisung – spätestens am nächsten Werktag erhalten Sie eine Pro-forma-Rechnung per E‑Mail mit der Kontonummer, auf die Sie zahlen können.
Auf Rechnung – diese Zahlungsmöglichkeit steht Partnern zur Verfügung, die mit unserem Unternehmen einen Rahmenvertrag abgeschlossen haben.
Wenn Sie eine der letzten beiden Zahlungsmethoden verwenden möchten, wenden Sie sich bitte an unseren Geschäftsleiter. Er wird Ihnen erklären, wie Sie eine Rechnung mit oder ohne MwSt. erhalten können.
Die von uns gelieferte elektrische Ausrüstung entspricht hohen Qualitätsstandards, hat eine Garantie von 24 Monaten und erfüllt vollständig alle EU-Anforderungen.
Im Falle einer Reklamation werden keine Rücksendekosten berechnet.
