Erhalten Sie eine E-Mail-Benachrichtigung, wenn dieses Produkt wieder verfügbar ist
Vorbestelltes Produkt
- Beschreibung
- Anweisungen
- Zahlungsmethoden
- Garantie
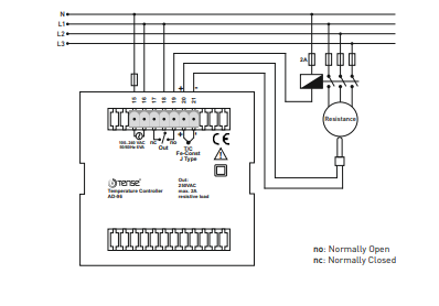
Thermostat / 2-Punkt Temperaturregler TENSE
Produktbeschreibung:
Der Temperaturregler ist für die EIN/AUS (ON/OFF) oder proportionale Regelung von Temperaturprozessen ausgelegt. Geeignet für Heizung, Klimaanlagen, Lüftungssysteme, Gebäudeautomation und industrielle Anlagen.
Funktionen und Merkmale:
-
EIN/AUS (Zweipunkt) oder proportionale Regelungsart.
-
Sensortyp: T/C (J-Typ, Fe-Const)
-
Relaisausgänge: OUT (NO + NC), 250VAC, 2A
-
Einstellbare Hysterese
-
EEPROM-Speicher zum Speichern der Einstellungen
-
Klares Display mit gewünschter Temperatureinstellung
Messbereich und Genauigkeit:
-
Messbereich: 0 °C ... +400 °C
-
Auflösung/Schritt: 1 °C
Empfohlenes Zubehör:
-
Typ J Fe-Const Temperatursensoren (6/8 Meter), Bereich -100 °C ... +600 °C
-
Erhältlich mit Kabel: 1 m, 1,5 m, 2 m, 2,5 m, 3 m, 4 m oder 5 m
Anwendung:
-
Temperaturregelung für Heizung, Klimaanlage und Lüftung
-
Industrielle Leitungen und Maschinen, bei denen eine präzise Temperaturregelung erforderlich ist
-
Überwachung und Schutz von Geräten
Vorteile:
-
Zuverlässiges türkisches TENSE-Produkt
-
Einfache Anschluss- und Einstellungsmöglichkeit
-
Speicher zum Beibehalten der Einstellungen, auch nach Stromausfall
Online-Zahlung mit einer Karte – nach Abschluss der Bestellung werden Sie zur Zahlungsseite weitergeleitet. Die Zahlungsbestätigung wird an Ihre E‑Mail gesendet.
Nachnahme (COD) – Sie zahlen den Betrag direkt an den Fahrer bei Lieferung.
Per Banküberweisung – spätestens am nächsten Werktag erhalten Sie eine Pro-forma-Rechnung per E‑Mail mit der Kontonummer, auf die Sie zahlen können.
Auf Rechnung – diese Zahlungsmöglichkeit steht Partnern zur Verfügung, die mit unserem Unternehmen einen Rahmenvertrag abgeschlossen haben.
Wenn Sie eine der letzten beiden Zahlungsmethoden verwenden möchten, wenden Sie sich bitte an unseren Geschäftsleiter. Er wird Ihnen erklären, wie Sie eine Rechnung mit oder ohne MwSt. erhalten können.
Die von uns gelieferte elektrische Ausrüstung entspricht hohen Qualitätsstandards, hat eine Garantie von 24 Monaten und erfüllt vollständig alle EU-Anforderungen.
Im Falle einer Reklamation werden keine Rücksendekosten berechnet.
