
Erhalten Sie eine E-Mail-Benachrichtigung, wenn dieses Produkt wieder verfügbar ist
- Beschreibung
- Anweisungen
- Zahlungsmethoden
- Garantie
18 Schritte + TCR Leistungsfaktorregler für symmetrische/asymmetrische Netzwerke mit 5 Zoll Touchscreen und RS-485 (TENSE)
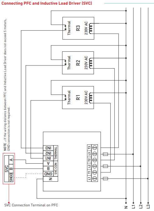
Reaktive Leistungsregelrelais sind dafür ausgelegt, Blindleistung (induktiv und kapazitiv) zu reduzieren, die nicht von der Last genutzt wird und dem Netz entzogen wird. Wenn induktive Leistung dem Netz entzogen wird, greift das Relais ein, indem es einen Kondensator mit einem geeigneten Wert entfernt. Wenn kapazitive Leistung vom Stromnetz entnommen wird, greift es ein, indem es eine Shuntspule mit dem richtigen Wert hinzufügt. Auf diese Weise versucht es, die induktiven/aktiven und kapazitiven/aktiven Geschwindigkeiten des Systems zu verringern. Es ist so konzipiert, dass es eine vernünftigere Kompensation in unausgeglichenen induktiven und kapazitiven Systemen mit der RGT-MT18 TCR-Stufe bietet.
Generatoreneingang und Generatorenkompensation
Spannung, harmonischer Strom/Spannung, induktiver und kapazitiver Alarmausgang
Anlauf-, Entlade- und Settling-Zeiten können angepasst werden
Fernkommunikation mit RS485 (RS485 ModBus RTU)
Einphasen-, Zweiphasen- und Dreiphasen-Kondensatoren sowie Shuntreaktoren können angeschlossen werden
Harmonische Spannung und Strom können bis zur 61. harmonischen beobachtet werden
Gesamtenergie (Import/Export) kann überwacht werden
THD-V- und THD-I-Werte jeder Phase können angezeigt werden
Leistungsanalyse erstellen (20 Proben 9999 min.) - zur Auswahl von Kondensatoren
Alarmausgang Temperatur
Lastregistrierung (aktiv und reaktiv sowie Scheinleistung und Strombedarf)
Minimale, maximale und durchschnittliche Strom- und Spannungswerte jeder Phase können überwacht werden
Aktuelles Datum und Uhrzeit
Online-Zahlung mit einer Karte – nach Abschluss der Bestellung werden Sie zur Zahlungsseite weitergeleitet. Die Zahlungsbestätigung wird an Ihre E‑Mail gesendet.
Nachnahme (COD) – Sie zahlen den Betrag direkt an den Fahrer bei Lieferung.
Per Banküberweisung – spätestens am nächsten Werktag erhalten Sie eine Pro-forma-Rechnung per E‑Mail mit der Kontonummer, auf die Sie zahlen können.
Auf Rechnung – diese Zahlungsmöglichkeit steht Partnern zur Verfügung, die mit unserem Unternehmen einen Rahmenvertrag abgeschlossen haben.
Wenn Sie eine der letzten beiden Zahlungsmethoden verwenden möchten, wenden Sie sich bitte an unseren Geschäftsleiter. Er wird Ihnen erklären, wie Sie eine Rechnung mit oder ohne MwSt. erhalten können.
Die von uns gelieferte elektrische Ausrüstung entspricht hohen Qualitätsstandards, hat eine Garantie von 24 Monaten und erfüllt vollständig alle EU-Anforderungen.
Im Falle einer Reklamation werden keine Rücksendekosten berechnet.
