
Erhalten Sie eine E-Mail-Benachrichtigung, wenn dieses Produkt wieder verfügbar ist
- Beschreibung
- Anweisungen
- Zahlungsmethoden
- Garantie
12 Stufen + TCR Leistungsfaktorregler mit 2,9" grafischem LCD-Bildschirm und RS-485 (TENSE)
Der RGT-12SVC Blindleistungsregler (TENSE) ist ein vollautomatisches Gerät zur optimalen Schaltung von Kompensationsphasen.
Die digitale Verarbeitung der vom Regler gemessenen Werte sorgt für eine hohe Genauigkeit bei der Auswertung der effektiven Spannung, des Stroms und des Leistungsfaktors.
Die Installation des Geräts erfolgt vollständig automatisch - der Regler bestimmt selbst die Größe der einzelnen angeschlossenen Kompensationsstufen. Diese Parameter können auch direkt manuell eingegeben werden.
Der Regler schaltet die Kompensationsstufen ein und aus, sodass die Blindleistung mit einer minimalen Anzahl von Schaltvorgängen geregelt wird. Gleichzeitig berücksichtigt der Regler die gleichmäßige Belastung der einzelnen Stufen und schaltet bevorzugt die Stufen, die am längsten spannungsfrei sind und deren Restladung minimal ist. Während des Regelprozesses werden die Kompensationsstufen kontinuierlich parallel überwacht – Störungen und Wertänderungen werden erkannt, temporär entfernte Stufen werden periodisch getestet und bei Bedarf wieder in den Regelprozess eingebunden.
Generatoreneingang und Generatorenkompensation
Anlauf-, Entlade- und Settling-Zeiten können eingestellt werden
Fernkommunikation mit RS485 (RS485 ModBus RTU)
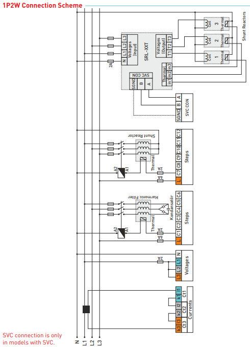
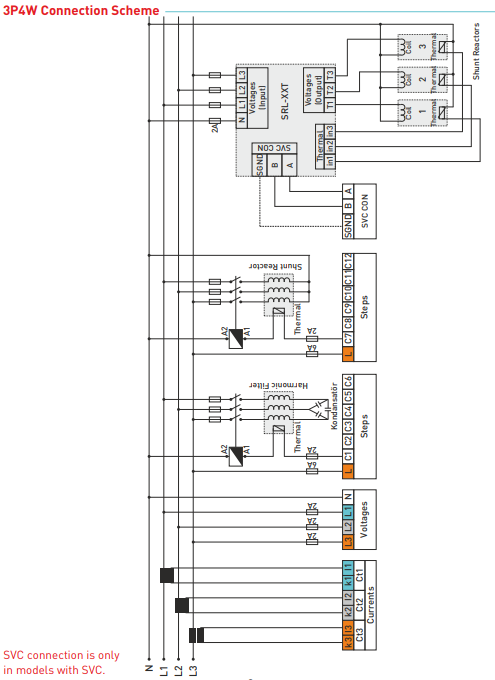
Einphasen-, Zweiphasen- und Dreiphasen-Kondensatoren sowie Shuntreaktoren können angeschlossen werden
Harmonische Spannungen und Ströme können bis zur 31. Harmonischen beobachtet werden
Gesamtenergie (Import/Export) kann überwacht werden
THD-V- und THD-I-Werte jeder Phase können angezeigt werden
Leistungsanalyse erstellen (20 Proben 9999 min.) - zur Auswahl von Kondensatoren
Online-Zahlung mit einer Karte – nach Abschluss der Bestellung werden Sie zur Zahlungsseite weitergeleitet. Die Zahlungsbestätigung wird an Ihre E‑Mail gesendet.
Nachnahme (COD) – Sie zahlen den Betrag direkt an den Fahrer bei Lieferung.
Per Banküberweisung – spätestens am nächsten Werktag erhalten Sie eine Pro-forma-Rechnung per E‑Mail mit der Kontonummer, auf die Sie zahlen können.
Auf Rechnung – diese Zahlungsmöglichkeit steht Partnern zur Verfügung, die mit unserem Unternehmen einen Rahmenvertrag abgeschlossen haben.
Wenn Sie eine der letzten beiden Zahlungsmethoden verwenden möchten, wenden Sie sich bitte an unseren Geschäftsleiter. Er wird Ihnen erklären, wie Sie eine Rechnung mit oder ohne MwSt. erhalten können.
Die von uns gelieferte elektrische Ausrüstung entspricht hohen Qualitätsstandards, hat eine Garantie von 24 Monaten und erfüllt vollständig alle EU-Anforderungen.
Im Falle einer Reklamation werden keine Rücksendekosten berechnet.
