
Erhalten Sie eine E-Mail-Benachrichtigung, wenn dieses Produkt wieder verfügbar ist
- Beschreibung
- Anweisungen
- Zahlungsmethoden
- Garantie
|
Einphasige Unterwasser-Motorpumpensteuerung, 140 V-280 V AC, 60 A, Tense Art.nr.: MDK-02 Elektroden (Flüssigkeitsstandssensoren) nicht enthalten.
Dieser Regler ist dafür ausgelegt, Unterwasser-Motorpumpen vor verschiedenen potenziellen Problemen zu schützen, die während des Betriebs auftreten können, wie Spannungs- und Stromspitzen, Wassermangel im Bohrloch oder Brunnen und Überlastung der Pumpe. Mit den integrierten Funktionen können Sie auch den Füllstand des Reservoirs überwachen, Zeitverzögerungen für Notfälle einstellen und die Spitzenströme steuern.
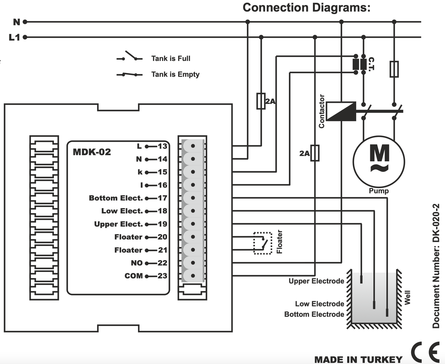
Funktionsprinzip des Reglers.
Lesen Sie den Abschnitt "Wichtig!" bevor Sie das Gerät anschließen. Schließen Sie die Sensoren und den Stromwandler gemäß dem Anschlussdiagramm (Abb. 1) an das Gerät an und verbinden Sie dann die Stromversorgung. Überprüfen Sie, ob die werkseitig eingestellten Parameter mit den Betriebsparametern Ihrer Pumpe übereinstimmen. Falls erforderlich, können folgende Parameter geändert werden:
(P1) - maximal zulässiger Spannungswert
(P2) - maximal zulässiger Stromwert
(P3) - minimal zulässiger Spannungswert
(P4) - minimal zulässiger Stromwert
(P5) - Fehlerreaktionsverzögerung
(P6) - automatische Rücksetzzeit nach Stromfehler
(P7) - Stromkoeffizient (Multiplikator) für das Startintervall
(P8) - Startintervallzeit
(P9) - Anzahl der automatischen Rücksetzungen bei Stromfehlern, nach denen das Gerät in den Notmodus wechselt und ein Eingreifen des Bedieners erforderlich ist
(P10) - obere Reaktionszeit des Sensors (längere Zeit - Pumpe schaltet seltener ein - verlängert die Lebensdauer der Pumpe)
Nach dem ersten Anschluss an die Stromversorgung wartet das Gerät 4 Sekunden, analysiert dann die Netzparameter und deren Übereinstimmung mit den eingestellten Parametern und prüft, ob Wasser im Brunnen vorhanden ist. Es kontrolliert, ob im Speicherbehälter im Brunnen ausreichend Platz ist, und wenn der Controller im Modus "START" ist (untere grüne Anzeige leuchtet) (leuchtet), werden die Steuerkontakte eingeschaltet und die obere grüne Anzeige "Pumpe" leuchtet. Das Display zeigt die aktuellen Spannungs- und Stromwerte an.
Drücken Sie die START-Taste, um in diesen Modus zu wechseln.
Drücken Sie die STOP-Taste, um in diesen Modus zu wechseln. In diesem Modus führt das Gerät keine Steuerung aus und startet die Pumpe nicht. Parametereinstellungen:
Drücken Sie die MENÜ-Taste, um das Menü für Parametereinstellungen zu öffnen. Sie gelangen zur ersten Parameterseite (P1). Das obere Display zeigt die Parameternummer und das untere Display den Wert dieses Parameters an. Sie können die Parameterwerte durch Drücken der Tasten HOCH und RUNTER ändern. Drücken Sie anschließend die MENÜ-Taste, um den ausgewählten Wert zu speichern, oder die RESET-Taste, um das Menü zu verlassen. Wenn Sie die RESET-Taste drücken, wird der auf dem Bildschirm angezeigte Parameterwert nicht gespeichert, aber Änderungen an vorherigen Parametern werden gespeichert. Wenn innerhalb von 50 Sekunden keine Taste gedrückt wird, verlässt das Gerät das Menü, ohne den auf dem Bildschirm angezeigten Parameterwert zu speichern. Wichtig!!! Lesen Sie dieses Kapitel, bevor Sie das Gerät anschließen:
- Die Steuereinheit der Tauchpumpe muss gemäß dem Anschlussdiagramm im Produktdatenblatt angeschlossen werden.
- Stellen Sie sicher, dass die von der Pumpe geförderte Flüssigkeit nicht brennbar oder explosiv ist.
- Wenn ein System mit zwei Niveausensoren verwendet wird, müssen die Eingänge des oberen und mittleren Sensors angeschlossen werden.
- Die Temperatur am Installationsort des Reglers muss über 0 °C liegen.
- Schalten Sie niemals Spannung an die Eingänge des Controllers, um den Schwimmerschalter anzuschließen.
- Stellen Sie sicher, dass das Pumpengehäuse geerdet ist, da sonst die Pumpensteuerung beschädigt werden kann.
Technische Informationen:
Betriebsspannung: 140-280 VAC. Frequenz: 50 Hz Strombereich: 0,5-60 A Stromverbrauch: <4 W Empfindlichkeit gegenüber Flüssigkeiten: <50 kOhm Schutzart: IP40 Betriebstemperaturbereich: -5 °C - +55 °C Kabelquerschnitt: max. 1,5 mm2 Gewicht: 0,325 kg Installationsöffnung: 91 x 91 |
Installationshöhe: weniger als 2000 m
Online-Zahlung mit einer Karte – nach Abschluss der Bestellung werden Sie zur Zahlungsseite weitergeleitet. Die Zahlungsbestätigung wird an Ihre E‑Mail gesendet.
Nachnahme (COD) – Sie zahlen den Betrag direkt an den Fahrer bei Lieferung.
Per Banküberweisung – spätestens am nächsten Werktag erhalten Sie eine Pro-forma-Rechnung per E‑Mail mit der Kontonummer, auf die Sie zahlen können.
Auf Rechnung – diese Zahlungsmöglichkeit steht Partnern zur Verfügung, die mit unserem Unternehmen einen Rahmenvertrag abgeschlossen haben.
Wenn Sie eine der letzten beiden Zahlungsmethoden verwenden möchten, wenden Sie sich bitte an unseren Geschäftsleiter. Er wird Ihnen erklären, wie Sie eine Rechnung mit oder ohne MwSt. erhalten können.
Die von uns gelieferte elektrische Ausrüstung entspricht hohen Qualitätsstandards, hat eine Garantie von 24 Monaten und erfüllt vollständig alle EU-Anforderungen.
Im Falle einer Reklamation werden keine Rücksendekosten berechnet.
