
Erhalten Sie eine E-Mail-Benachrichtigung, wenn dieses Produkt wieder verfügbar ist
- Beschreibung
- Anweisungen
- Zahlungsmethoden
- Garantie
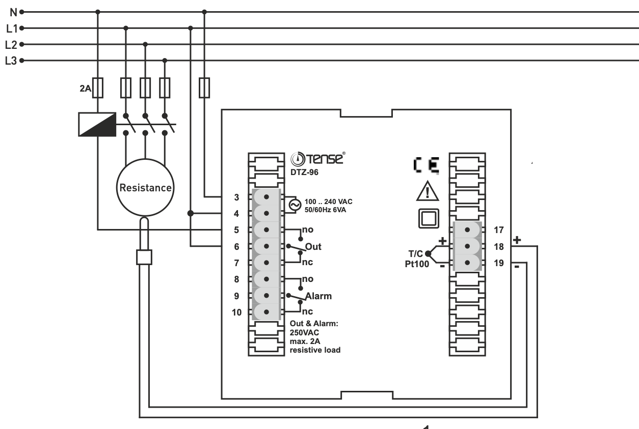
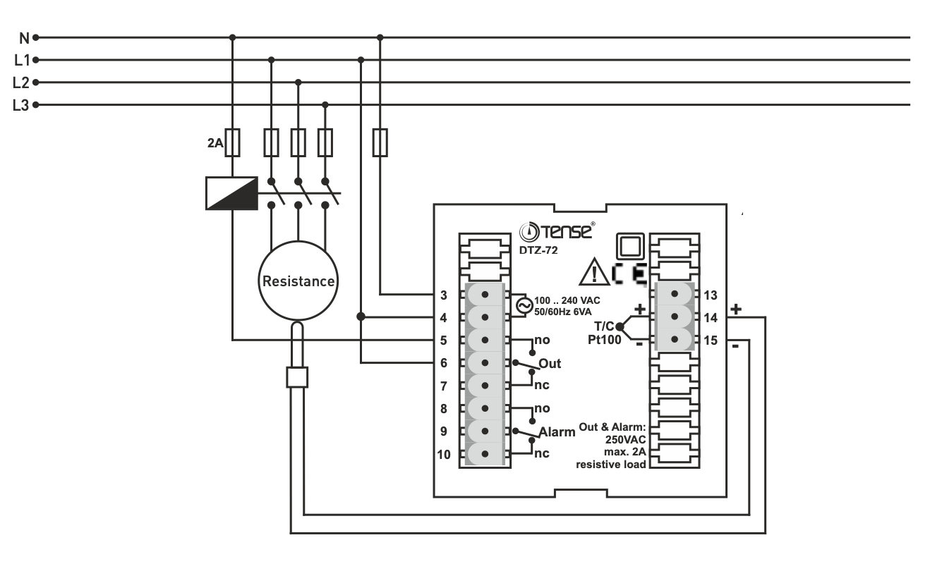
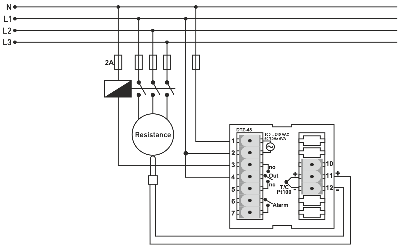
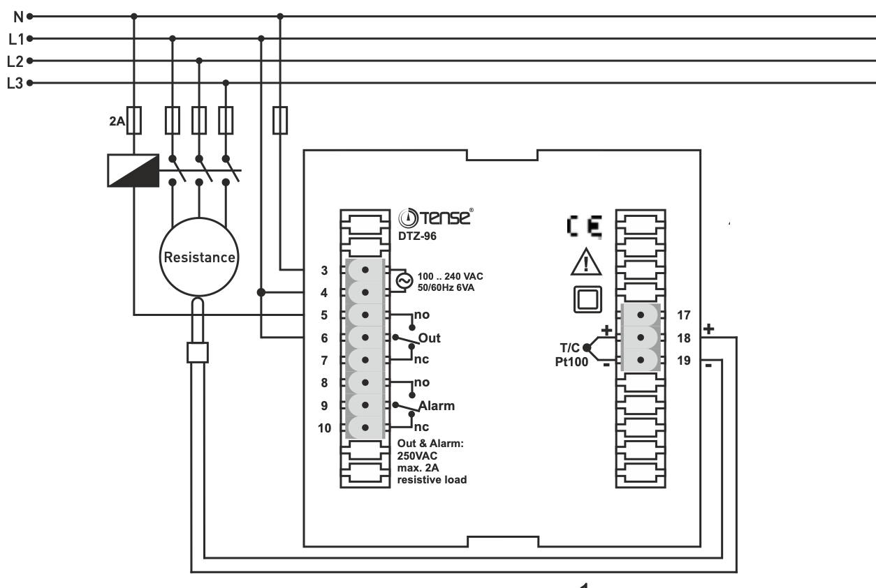
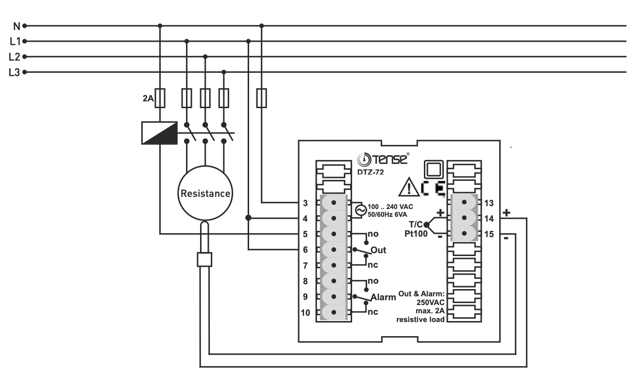
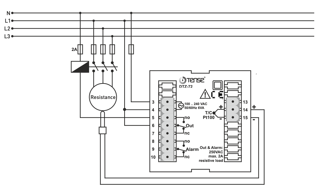
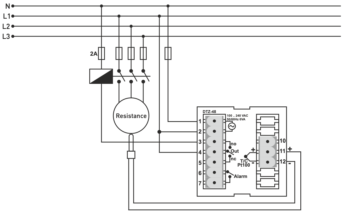
PID-paneeltemperatuurregelaar - TENSE DTZ-48
DTZ-48 is een paneeltemperatuurregelaar met ingebouwde timer, ontworpen voor nauwkeurige regeling van thermische processen in de industrie, verwarming, airconditioning, ventilatiesystemen en gebouwautomatisering.
De regeling werkt met de klassieke AAN/UIT-modus of met een geavanceerde PID-regeling met zelfoptimalisatie en proceswaardebegrenzing.
Belangrijkste kenmerken
-
Temperatuurmeetbereik: -100 °C tot +1750 °C (afhankelijk van het sensortype)
-
Sensortype: T/C thermokoppels (J, K, T, S, R) of Pt100 resistieve sensor
-
Type regeling: P, PI, PD, PID of AAN/UIT
-
Ingebouwde timer voor procesregeling
-
Automatische afstelling van PID-parameters
-
Anti-windup - voorkomt dat de regeluitgang stijgt tijdens verzadiging
-
Vertraging bij inschakelen uitgang voor koelmodus
-
Wachtwoordbeveiliging
-
EEPROM-geheugen voor het opslaan van instellingen
-
Regeluitgang: relais OUT (NO+NC) 250 VAC, 2A
-
Alarmuitgang: ALARM relais (NO+NC) 250 VAC, 2A, actief bij over- of onderwaarde (ON alleen op DTZ-48)
-
Display: Hoog contrast, gemakkelijk af te lezen, zelfs bij weinig licht
Functies
-
Nauwkeurige temperatuurregeling met sensor-specifieke aanpassing van het meetbereik
-
Regelaar maakt gelijktijdige weergave van instelpunt en werkelijke waarde mogelijk
-
Ingebouwde timer voor het plannen van verwarmings- of koelprocessen
-
Alarmrelais waarschuwt wanneer de waarde wordt overschreden of niet wordt bereikt
Aanbevolen sensor
-
Thermokoppel type J Fe-Const (6/8 meter)
-
Meetschaal: -100 °C tot +600 °C
-
Kabellengtes: 1 m, 1,5 m, 2 m, 2,5 m, 3 m, 4 m en 5 m
Toepassing
-
Regeling van verwarming en koeling in industriële ovens en lijnen
-
Temperatuurregeling van machines en apparatuur in de voedingsmiddelen-, chemische en lichte industrie
-
Gebouwautomatisering en airconditioningsystemen
-
Toepassingen waarbij een betrouwbare alarmuitgang vereist is
Downloaden
Online-Zahlung mit einer Karte – nach Abschluss der Bestellung werden Sie zur Zahlungsseite weitergeleitet. Die Zahlungsbestätigung wird an Ihre E‑Mail gesendet.
Nachnahme (COD) – Sie zahlen den Betrag direkt an den Fahrer bei Lieferung.
Per Banküberweisung – spätestens am nächsten Werktag erhalten Sie eine Pro-forma-Rechnung per E‑Mail mit der Kontonummer, auf die Sie zahlen können.
Auf Rechnung – diese Zahlungsmöglichkeit steht Partnern zur Verfügung, die mit unserem Unternehmen einen Rahmenvertrag abgeschlossen haben.
Wenn Sie eine der letzten beiden Zahlungsmethoden verwenden möchten, wenden Sie sich bitte an unseren Geschäftsleiter. Er wird Ihnen erklären, wie Sie eine Rechnung mit oder ohne MwSt. erhalten können.
Die von uns gelieferte elektrische Ausrüstung entspricht hohen Qualitätsstandards, hat eine Garantie von 24 Monaten und erfüllt vollständig alle EU-Anforderungen.
Im Falle einer Reklamation werden keine Rücksendekosten berechnet.
