
Erhalten Sie eine E-Mail-Benachrichtigung, wenn dieses Produkt wieder verfügbar ist
- Beschreibung
- Anweisungen
- Zahlungsmethoden
- Garantie
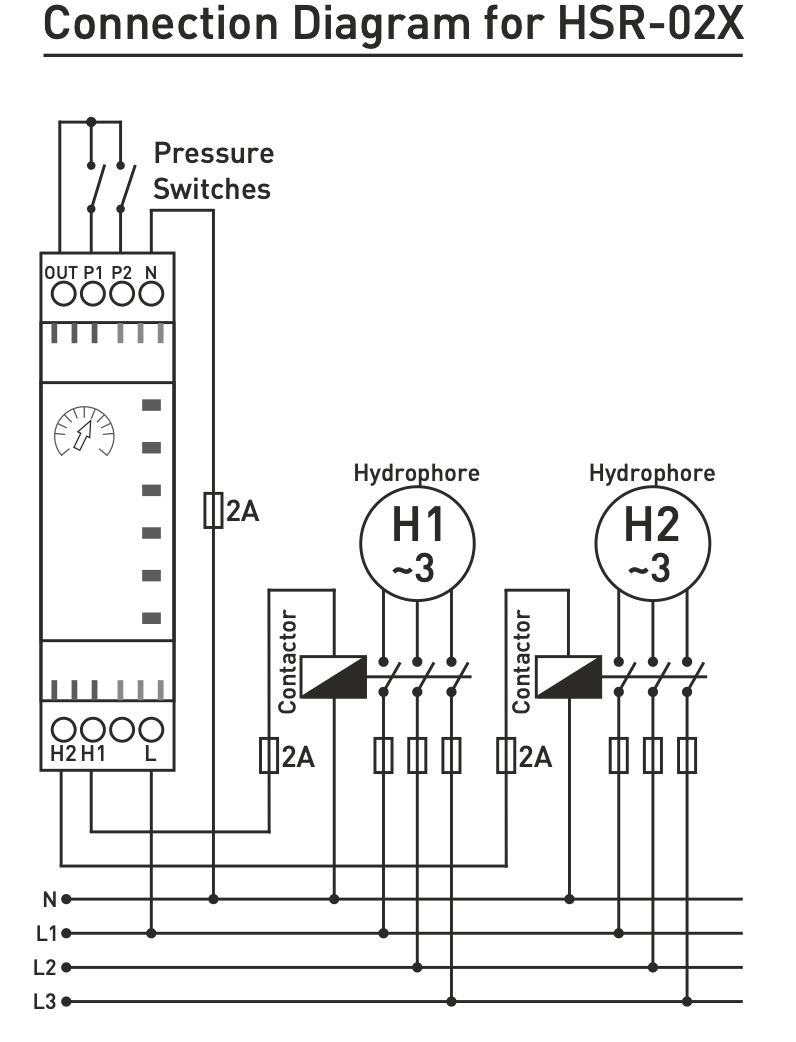
Hydrofoor sequentieel relais mit Timer für 2 Pumpen
Hydrophore Sequentiellrelais sind dafür ausgelegt, die Anzahl der Booster zu steuern, die je nach Druck arbeiten müssen, und sicherzustellen, dass der Booster zur gleichen Zeit arbeitet.
Online-Zahlung mit einer Karte – nach Abschluss der Bestellung werden Sie zur Zahlungsseite weitergeleitet. Die Zahlungsbestätigung wird an Ihre E‑Mail gesendet.
Nachnahme (COD) – Sie zahlen den Betrag direkt an den Fahrer bei Lieferung.
Per Banküberweisung – spätestens am nächsten Werktag erhalten Sie eine Pro-forma-Rechnung per E‑Mail mit der Kontonummer, auf die Sie zahlen können.
Auf Rechnung – diese Zahlungsmöglichkeit steht Partnern zur Verfügung, die mit unserem Unternehmen einen Rahmenvertrag abgeschlossen haben.
Wenn Sie eine der letzten beiden Zahlungsmethoden verwenden möchten, wenden Sie sich bitte an unseren Geschäftsleiter. Er wird Ihnen erklären, wie Sie eine Rechnung mit oder ohne MwSt. erhalten können.
Die von uns gelieferte elektrische Ausrüstung entspricht hohen Qualitätsstandards, hat eine Garantie von 24 Monaten und erfüllt vollständig alle EU-Anforderungen.
Im Falle einer Reklamation werden keine Rücksendekosten berechnet.
