
Erhalten Sie eine E-Mail-Benachrichtigung, wenn dieses Produkt wieder verfügbar ist
- Beschreibung
- Anweisungen
- Zahlungsmethoden
- Garantie
|
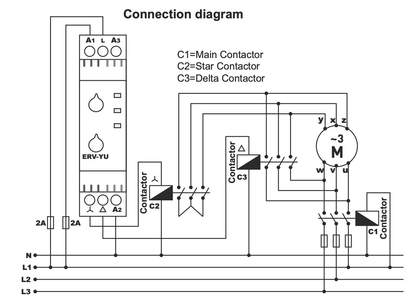
Relais für Stern-Dreieck-Startmodi (Startrelais Elektromotor) Betriebsspannung 24/220 V AC, Anzeige von EIN, STERN, DREIECK, Zeiteinstellung des STERN-Modus. VERSORGUNG, ERV-YU. Es ist bekannt, dass für einen sanften und weichen Start des Elektromotors dieser zunächst nach dem STERN-Schema eingeschaltet werden muss und nach einer bestimmten Zeit, wenn die eingestellte Drehzahl erreicht ist, die Motorwicklungen auf den DREIECK-Modus umgeschaltet werden. Dieses Schalt schema sorgt für einen geringeren Anlaufstrom, was die Lebensdauer des Elektromotors verlängert und die Stabilität des gesamten Stromversorgungssystems erhöht.
Das Schalten der STERN-DREIECK-Modi kann natürlich mit einem Schalter erfolgen, aber bei Verwendung von Schützen (Startern) und einem Startrelais ist es besser, diesen Prozess zu automatisieren.
Zur Steuerung solcher Schalter bietet TENSE Stern-Dreieck-Relais oder, wie sie auch genannt werden, Stern-Dreieck-Schaltrelais - ERV - YU an. Wenn die Betriebsspannung an die Kontakte A1 - A2 des ERV - YU Relais angelegt wird, wird der STERN-Ausgang mit dem Faz-Kontakt verbunden, die STERN-Anzeige leuchtet auf und das Beschleunigungsintervall t1 (0,1 ... 30 s) beginnt zu zählen. Nach dem Beschleunigungsintervall t1 werden die STERN- und Faz-Ausgänge getrennt, die STERN-Anzeige erlischt und das Pauseintervall t2 (15 ms) beginnt zu zählen. Nach Ablauf des Verbindungsintervalls t2 werden die Kontakte Faz und DREIECK verbunden, die DREIECK-Anzeige leuchtet auf und das Schützrelais bleibt in diesem Zustand, solange an den Kontakten A1 - A2 ein Alarm anliegt.
|
Wenn Sie Schützrelais, Magnetschalter mit mechanischer Verriegelung, autonome mechanische Verriegelung oder ein hochwertiges Metallgehäuse mit IP65-Schutz benötigen, können Sie diese ebenfalls alle zu einem guten Preis in unserem Lager kaufen.
Online-Zahlung mit einer Karte – nach Abschluss der Bestellung werden Sie zur Zahlungsseite weitergeleitet. Die Zahlungsbestätigung wird an Ihre E‑Mail gesendet.
Nachnahme (COD) – Sie zahlen den Betrag direkt an den Fahrer bei Lieferung.
Per Banküberweisung – spätestens am nächsten Werktag erhalten Sie eine Pro-forma-Rechnung per E‑Mail mit der Kontonummer, auf die Sie zahlen können.
Auf Rechnung – diese Zahlungsmöglichkeit steht Partnern zur Verfügung, die mit unserem Unternehmen einen Rahmenvertrag abgeschlossen haben.
Wenn Sie eine der letzten beiden Zahlungsmethoden verwenden möchten, wenden Sie sich bitte an unseren Geschäftsleiter. Er wird Ihnen erklären, wie Sie eine Rechnung mit oder ohne MwSt. erhalten können.
Die von uns gelieferte elektrische Ausrüstung entspricht hohen Qualitätsstandards, hat eine Garantie von 24 Monaten und erfüllt vollständig alle EU-Anforderungen.
Im Falle einer Reklamation werden keine Rücksendekosten berechnet.
