
Erhalten Sie eine E-Mail-Benachrichtigung, wenn dieses Produkt wieder verfügbar ist
- Beschreibung
- Anweisungen
- Zahlungsmethoden
- Garantie
TENSE 3-fasen paneelmultimeter - VAHz
Beschrijving
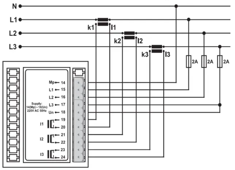
De TENSE digitale 3-fasen paneelmultimeter is een multifunctionele meter voor het controleren van elektrische parameters in 3-fasen systemen. Het instrument maakt het mogelijk om spanning, stroom en frequentie te meten, de juiste aansluiting van fasen te controleren en is geschikt voor industriële apparatuur, machines en AC stroomdistributiesystemen.
Belangrijkste voordelen
-
Multifunctionele meting: I, U (L-L, L-N), Hz
-
Indirecte meting van stroom door aangesloten stroomtransformatoren
-
Fasebewaking en bedradingscontrole
-
Meegeleverde meettransformator op EM-100D en EM-250D modellen
-
Montage op standaard DIN-rail
Meetbereiken
| Parameter | Modellen EM-06 / EM-72 | EM-100D | EM-250D |
|---|---|---|---|
| Stroom | 5/5 ... 9995/5 A (indirect) | 1 - 100 A | 2 - 250 A |
| Spanning L-N | 1 - 300 V AC | 1 - 300 V AC | 1 - 300 V AC |
| Spanning L-L | 1 - 500 V WISSELSTROOM | 1 - 500 V WISSELSTROOM | 1 - 500 V WISSELSTROOM |
| Frequentie | 40 - 60 Hz | 40 - 60 Hz | 40 - 60 Hz |
Aanbevelingen
-
Voor de modellen EM-06 en EM-72 raden we de volgende stroomtransformatoren aan:
60/5, 75/5, 100/5, 150/5, 200/5, 250/5, 300/5, 400/5, 500/5, 600/5, 800/5, 1000/5, 1500/5 -
De transformatoren kunnen rechtstreeks in onze e-shop worden gekocht.
Downloaden
Online-Zahlung mit einer Karte – nach Abschluss der Bestellung werden Sie zur Zahlungsseite weitergeleitet. Die Zahlungsbestätigung wird an Ihre E‑Mail gesendet.
Nachnahme (COD) – Sie zahlen den Betrag direkt an den Fahrer bei Lieferung.
Per Banküberweisung – spätestens am nächsten Werktag erhalten Sie eine Pro-forma-Rechnung per E‑Mail mit der Kontonummer, auf die Sie zahlen können.
Auf Rechnung – diese Zahlungsmöglichkeit steht Partnern zur Verfügung, die mit unserem Unternehmen einen Rahmenvertrag abgeschlossen haben.
Wenn Sie eine der letzten beiden Zahlungsmethoden verwenden möchten, wenden Sie sich bitte an unseren Geschäftsleiter. Er wird Ihnen erklären, wie Sie eine Rechnung mit oder ohne MwSt. erhalten können.
Die von uns gelieferte elektrische Ausrüstung entspricht hohen Qualitätsstandards, hat eine Garantie von 24 Monaten und erfüllt vollständig alle EU-Anforderungen.
Im Falle einer Reklamation werden keine Rücksendekosten berechnet.
